EasyManua.ls Logo

Siemens SINAMICS DCM - Page 129

Siemens SINAMICS DCM
758 pages
Print Icon
To Next Page IconTo Next Page
To Next Page IconTo Next Page
To Previous Page IconTo Previous Page
To Previous Page IconTo Previous Page
Loading...
Connecting
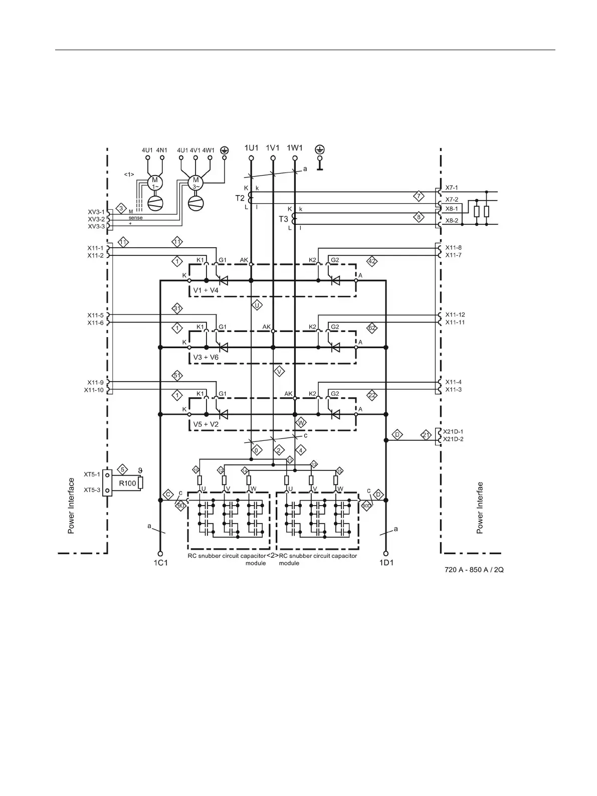
6.4 Power connections
SINAMICS DCM DC Converter
Operating Instructions, 12/2018, A5E34763375A
127
720 to 850 A/2Q devices
6RA8086-6KS22-0AA0, 6RA8087-6DS22-0AA0, 6RA8087-6FS22-0AA0,
6RA8087-6GS22-0AA0
a = 60 x 5 mm
<1> Fan with single-phase connection for devices with option L21
<2> TSE capacitor module connections:
720 A devices:
U = 91
V = 99
W = 98
C, D = 90
800 to 850 A devices:
U = 92
V = 93
W = 94
C, D = 90
Figure 6-28 Power connections for 720 to 850 A/2Q devices

Table of Contents