EasyManua.ls Logo

Sime Open.zip 25 BF TS - Page 38

Sime Open.zip 25 BF TS
Print Icon
To Next Page IconTo Next Page
To Next Page IconTo Next Page
To Previous Page IconTo Previous Page
To Previous Page IconTo Previous Page
Loading...
36
CN5 CN6
CN3
CN2
CN7 CN4
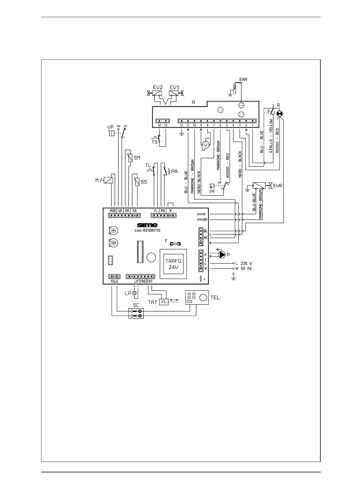
2.8.2 Esquema eléctrico
LEYENDA
L Línea
N Neutro
M Modulador
VP Válvula presostática
SM Sonda calefacción (azul)
SS Sonda sanitário (rojo)
TL Termóstato límite 85°C
PA Presóstato agua
A Caja de control de llama
EV1 Electroválvula 1°
EV2 Electroválvula 2°
EAR Electrodo de encendido/detección
TS Termóstato de seguridad 100°C
R Pulsador desbloqueo
caja de control de llama
V Ventilador
PF Presóstato humos
PF1 Fusible (F 2A)
P Circulador
TEL Mando remoto a distancia
SC Conexión mando remoto
TAT Termoactuador
LP Lámpara luz indicadora insuf. presión de agua
EVR Electroválvula relleno instalación
CODIGOS REPUESTOS CONECTORES:
CN2 c
ó
d. 6278687
CN3 c
ó
d. 6241414
CN4 c
ó
d. 6260940
CN5 c
ó
d. 6278685
CN6 c
ó
d. 6278686
CN7 c
ó
d. 6260969
Fig. 10

Table of Contents

Related product manuals