EasyManua.ls Logo

Sipromac 350 - Page 41

Sipromac 350
57 pages
Print Icon
To Next Page IconTo Next Page
To Next Page IconTo Next Page
To Previous Page IconTo Previous Page
To Previous Page IconTo Previous Page
Loading...
PAGE
1 de 1
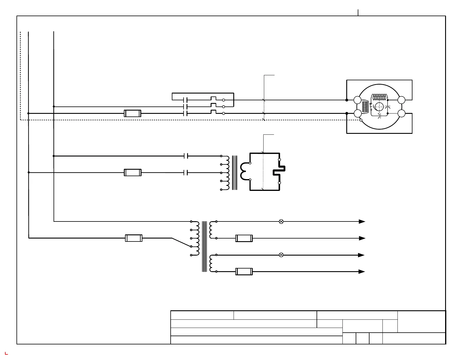
FULL FILENAME H:\DESSIN\DEPTDESS-2\PLAN ÉLECTRIQUE\006 + PART LIST 2010\350\006-0220 POW. 120V.VSD
PAGE
1 de 1
006-0220
VACUUM PACK
XX DLPP
10 07 08
power
006-0220
SIPROMAC
St-Germain de Grantham
QUEBEC ,CANADA
category
app
system
options
model
usual
fonctions
volt.
block
drawconcept
year
month
day
circuit
24V
9 V
red
24
pur
pur
(20 yel)
(20 brn)
(20 pur)
red
(20 gry)
25
F 4
F 5
F 3
M 1
XX
XX
T1
T4
HP
Kw
T8
T5
T1
T4
C1 OL1
TR2
C2
14 (blk)
350
120V/1PH/60HZ
25
24
13
6
C2
MC-40
F2
F1
TR1
WM1
WEL
13
6
GND
L1
N

Related product manuals