EasyManua.ls Logo

Sipromac 350 - Page 42

Sipromac 350
57 pages
Print Icon
To Next Page IconTo Next Page
To Next Page IconTo Next Page
To Previous Page IconTo Previous Page
To Previous Page IconTo Previous Page
Loading...
PAGE
1 de 1
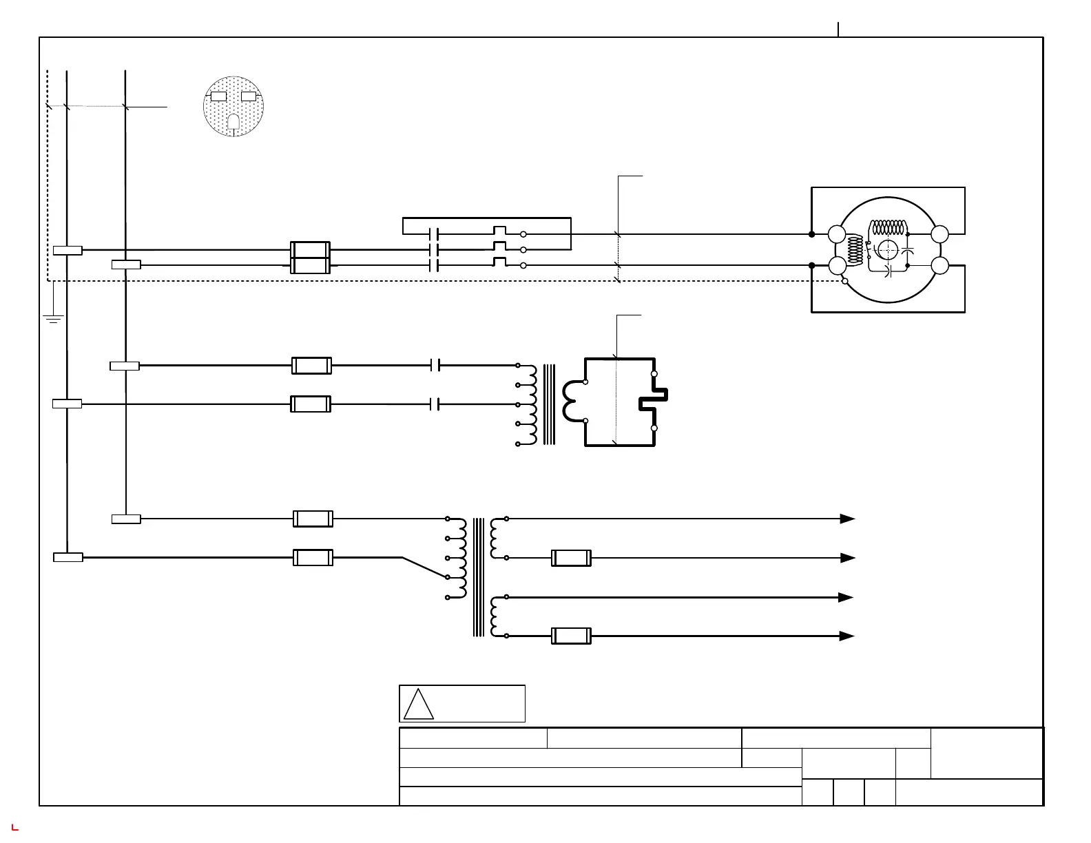
FULL FILENAME H:\DESSIN\DEPTDESS-2\PLAN ÉLECTRIQUE\006 + PART LIST 2010\350\006-0200 350 POW 220V.VSD
PAGE
1 de 1
006-0200
VACUUM PACK
PP DLPP
05 04 25
power
006-0200
SIPROMAC
St-Germain de Grantham
QUEBEC ,CANADA
category
app
system
options
model
usual
fonctions
volt.
block
drawconcept
year
month
day
circuit
24V
9 V
F 4
F5
F 3
M 1
XX
XX
T1
T4
HP
Kw
T8
T5
T1
T4
C1 OL1
TR2
C2
350
220V 1Ph 60Hz
C2
MC-40
F2
F 1
F5
F2
F 1
WAL
TR1
WM1
WEL
L
1
G
L
2
220V
120
V
L1
L2
PE
L11
L21
0112
0212
0122
0222
0232
0132
0142
0242
0152
0162
L22
L12
0113
0213
0223
0123
0233
0133
L13
L23
0114
0214
!
All unmarked wires are
caliber #14 AWG.
(006-0200 page 1)
0224
0124
0009
0024
0025
0034
0013
0006

Related product manuals