EasyManua.ls Logo

Sipromac 350 - Page 43

Sipromac 350
57 pages
Print Icon
To Next Page IconTo Next Page
To Next Page IconTo Next Page
To Previous Page IconTo Previous Page
To Previous Page IconTo Previous Page
Loading...
TRANSF.CONT.
OUT
ALL
XX DLPP
10 07 08
control
VACUUM PACK
SIPROMAC
St-Germain de Grantham
QUEBEC ,CANADA
category
app
system
options
model
usual
fonctions
volt.
block
drawconcept
year
month
day
circuit
006-0237
PAGE
1 de 2
FULL FILENAME H:\DESSIN\DEPTDESS-2\PLAN ÉLECTRIQUE\006 + PART LIST 2010\350\006-0237 CONT..VSD
PAGE
1 de 2
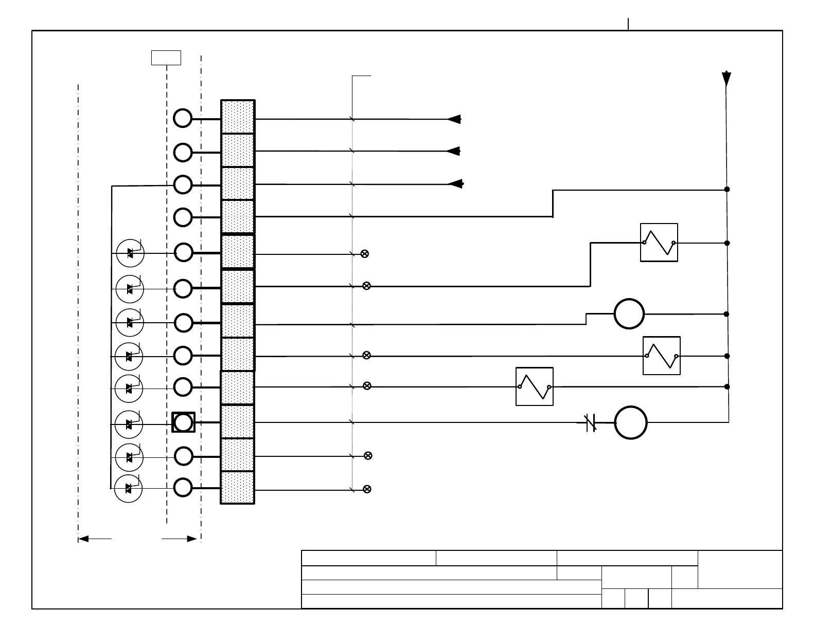
006-0237
PC BOARD
ooooooo
350
MC40
MC-40
JP3/1
BLACK
JP3/1
JP3/1
JP3/1
JP3/1
JP3/1
JP3/1
JP3/1
JP3/1
JP3/1
JP3/2
JP3/2
9
10
10
9
8
7
6
5
4
3
2
1
WHITE
RED
ORANGE
BLUE N/A
GREEN
YELLOW
BROWN
PURPLE
GREY
PINK N/A
BEIGE
1
2
3
4
5
6
7
8
9
10
11
12
1
2
4
3
5
6
7
8
9
10
7
8
Vacuum
PUMP
C1
11
2 w
G
Bellows
C2
Sealing
Atmosphere
F
2 w
1
N/A
yel. 25
W001
H
Gas option
2 w
OL/1
96
95
3

Related product manuals