EasyManua.ls Logo

SIVIK STD-7330 - Page 13

SIVIK STD-7330
30 pages
Print Icon
To Next Page IconTo Next Page
To Next Page IconTo Next Page
To Previous Page IconTo Previous Page
To Previous Page IconTo Previous Page
Loading...
REV. 02 13 / 30
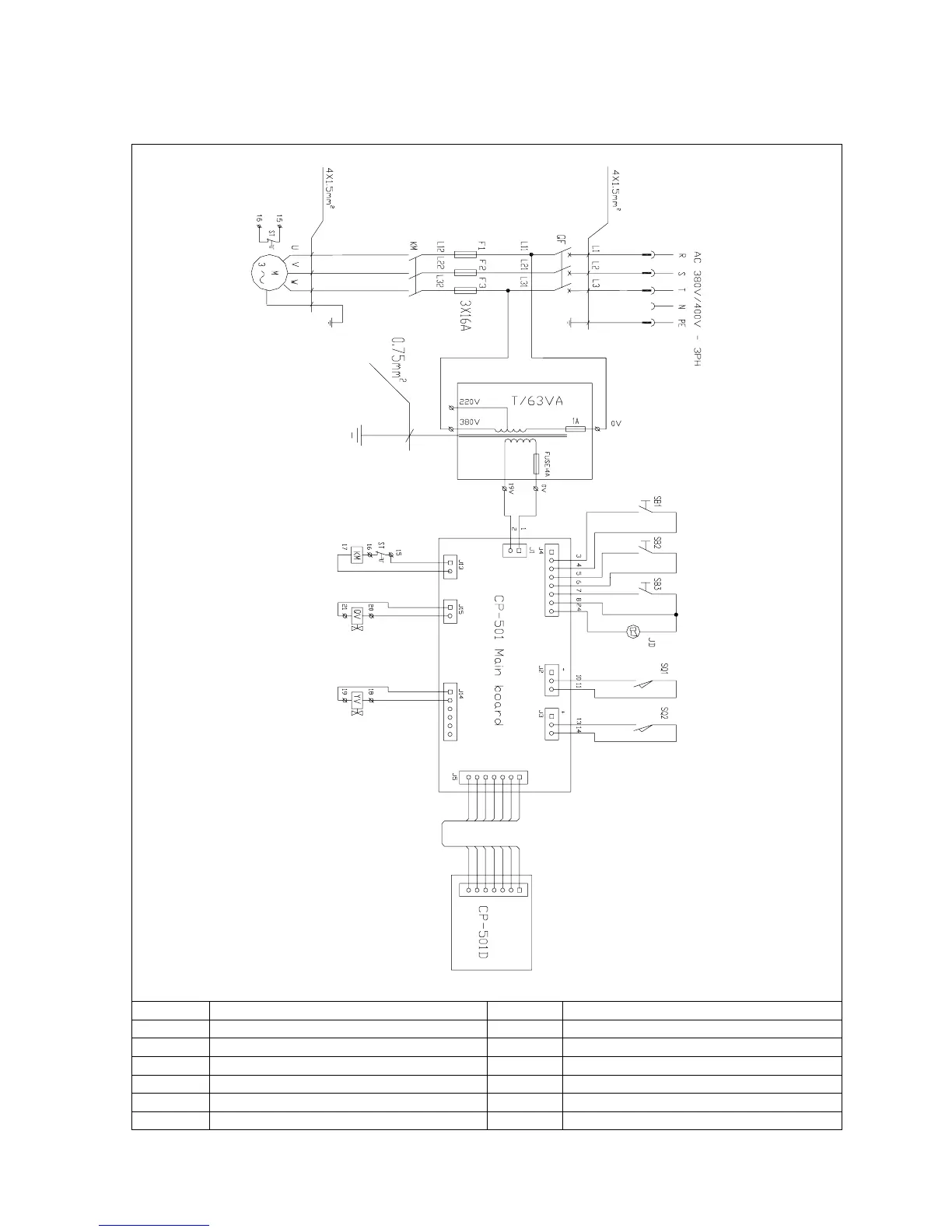
Figure 5a – ELECTRIC DIAGRAM (380V/400V-3PH)
QF Power switch SB1 Liftin
g
b
utton
M Motor 2.6KW 3PH SB2 Lowering
b
utton
ST Overhead protector SB3 Final lowering
b
utton
T Transformer 63VA JD Beeper
K
M
Contactor DC SQ1 Max. lifting height limit switch
Y
Lowering solenoid valve SQ2 Safet
y
height limit switch
Q
Solenoid air
v
alve
Dispaly