EasyManua.ls Logo

SKY-WATCHER WAVE150i Mount - Page 7

SKY-WATCHER WAVE150i Mount
15 pages
Print Icon
To Next Page IconTo Next Page
To Next Page IconTo Next Page
To Previous Page IconTo Previous Page
To Previous Page IconTo Previous Page
Loading...
7
PART I: Installation of the WAVE150i Mount
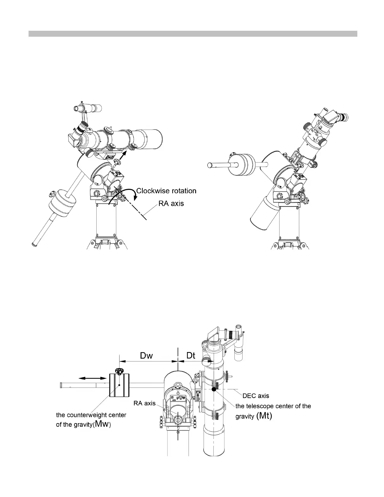
* Turn the R.A. axis and let the telescope lean to the right.
* Adjust the counterweight's position on the rod until it is balanced in the R.A. axis and then re-lock the
counterweight. Keep the counterweight locked at the furthest position if the telescope is too heavy to get a full
balance.
* Return the telescope to the home position of the R.A. axis and tighten the R.A. locking knob.
Use the following formula to decide the counterweight's position:
Dw = Mt * Dt / Mw
Dw: Distance of the counterweight's gravity centre to the azimuth axis
Mw: Mass of the counterweight
Mt: Mass of the telescope
Dt: Distance of the telescope's gravity centre to the axis.
)LJ8
)LJ9

Related product manuals