EasyManua.ls Logo

SkyAzúl Krupp EKS 83 - Page 26

Default Icon
30 pages
Print Icon
To Next Page IconTo Next Page
To Next Page IconTo Next Page
To Previous Page IconTo Previous Page
To Previous Page IconTo Previous Page
Loading...
SkyAzúl,EquipmentSolutionswww.skyazul.com3013716126
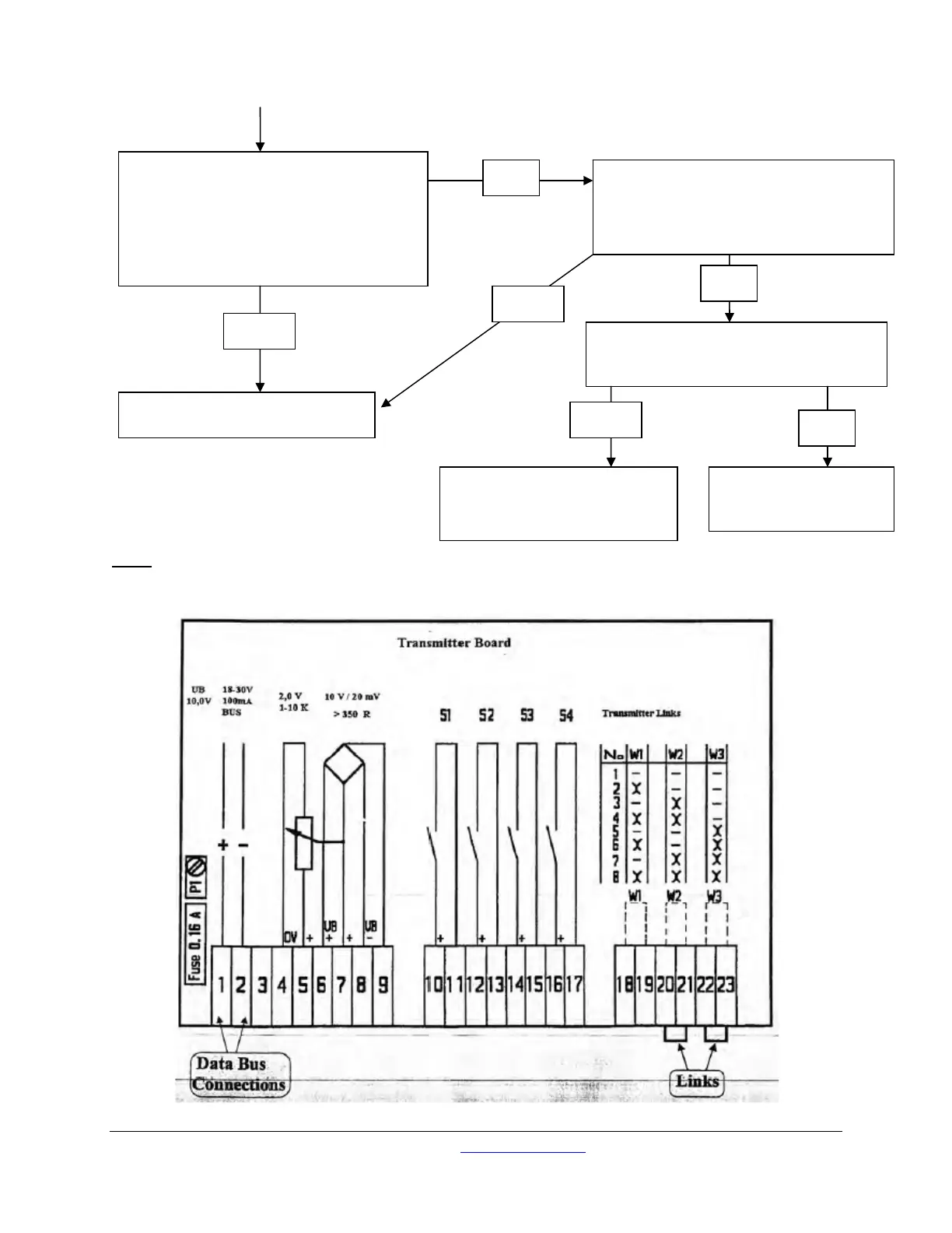
Note:Whenreplacing Transmitter Boards ensure the Jumper wires are transferred to the same position
on the new board. Switch connections 10-17 are only used on older GMT models.
Are the following voltages present
between connections: 4-7
Withsectionfullyretracted(47=0volt)
Withsectionfullyextended(47=2volt)
NO
With boom fully retracted, Adjust
Potentiometer to the “Zero” position
fully anti-clockwise. Can readings be
achieved?
NO
YES
YES
System OK
Voltages between connections:-6-8 = 10
volts (difference) 4-5 = 2 volts
NO
Fault on Transmitter -
Replace
Fault on potentiometer or
associated wiring. Replace &
re-calibrate as required.
YES
22