EasyManua.ls Logo

SkyTracker STX-1-2000 - Page 33

Default Icon
52 pages
Print Icon
To Next Page IconTo Next Page
To Next Page IconTo Next Page
To Previous Page IconTo Previous Page
To Previous Page IconTo Previous Page
Loading...
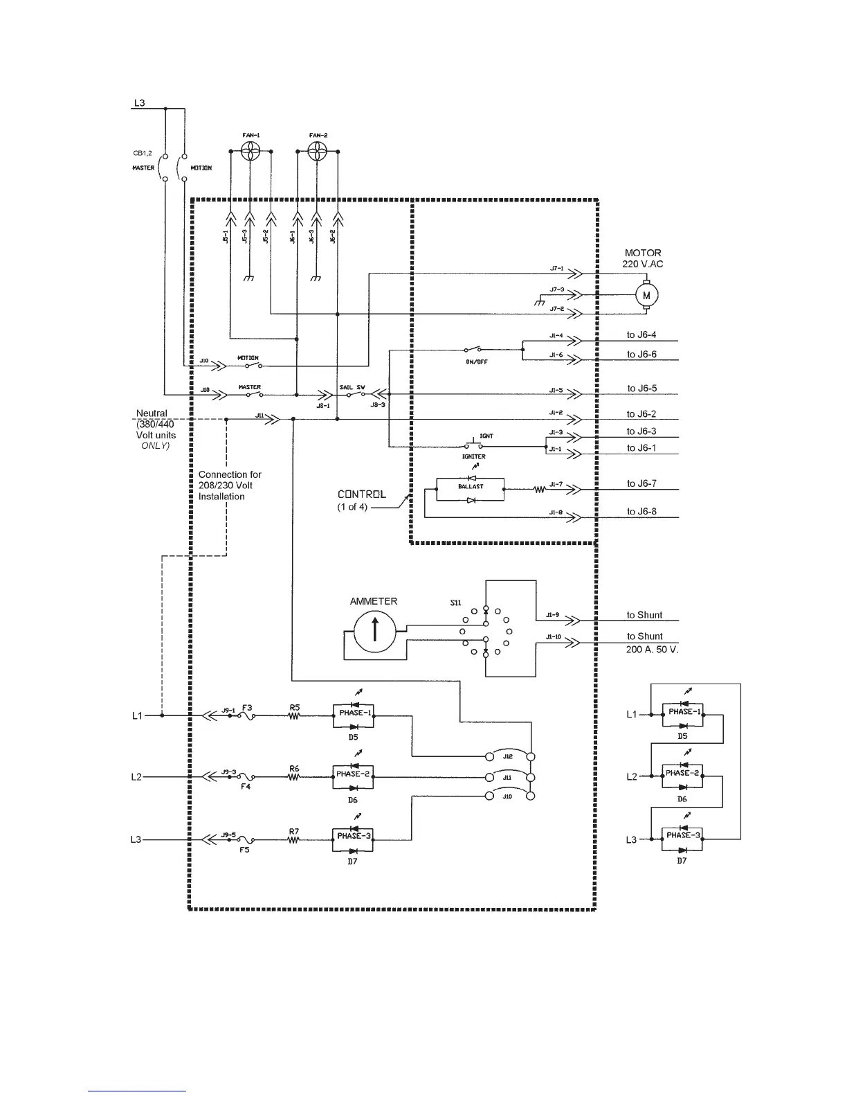
CONTROL PANEL
Drawing 2 of 5
29
Jumperscongured
for 380/440 V.AC
Jumperscongured
for 208/230 V.AC

Table of Contents