EasyManua.ls Logo

SkyTracker STX-1-2000 - Page 34

Default Icon
52 pages
Print Icon
To Next Page IconTo Next Page
To Next Page IconTo Next Page
To Previous Page IconTo Previous Page
To Previous Page IconTo Previous Page
Loading...
Drawing 3 of 5
30
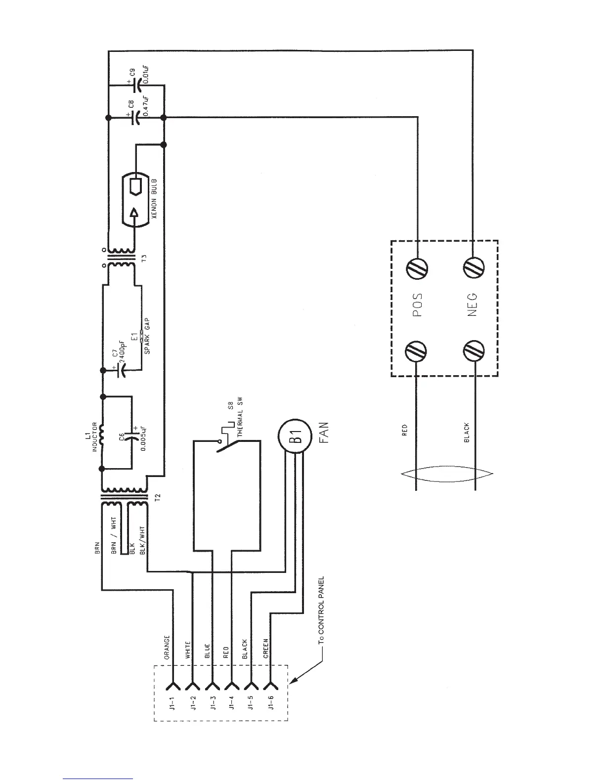
LAMPHEAD

Table of Contents