EasyManua.ls Logo

SkyTracker STX-1-2000 - Page 35

Default Icon
52 pages
Print Icon
To Next Page IconTo Next Page
To Next Page IconTo Next Page
To Previous Page IconTo Previous Page
To Previous Page IconTo Previous Page
Loading...
31
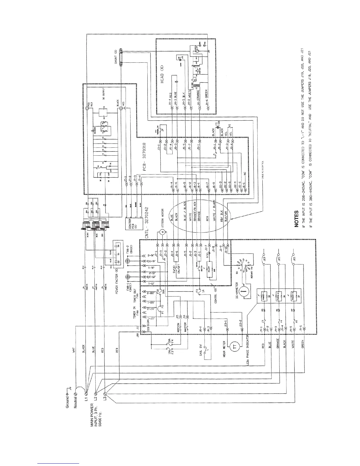
STX-4 SYSTEM WIRING DIAGRAM
Drawing 4 of 5

Table of Contents