EasyManua.ls Logo

SkyTracker STX-1-2000 - Page 36

Default Icon
52 pages
Print Icon
To Next Page IconTo Next Page
To Next Page IconTo Next Page
To Previous Page IconTo Previous Page
To Previous Page IconTo Previous Page
Loading...
32
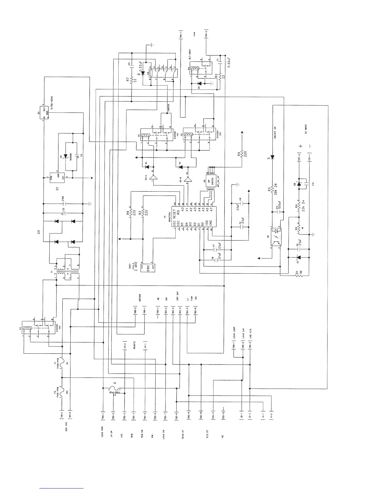
STX-1 TIMER PC BOARD (Part No.3200578)
Drawing 5 of 5

Table of Contents