EasyManua.ls Logo

SkyTraq PX1172R - Application Circuit - Rover Mode Config 1; Configuration Diagram and Description

SkyTraq PX1172R
31 pages
Print Icon
To Next Page IconTo Next Page
To Next Page IconTo Next Page
To Previous Page IconTo Previous Page
To Previous Page IconTo Previous Page
Loading...
10
www.skytraq.com.tw
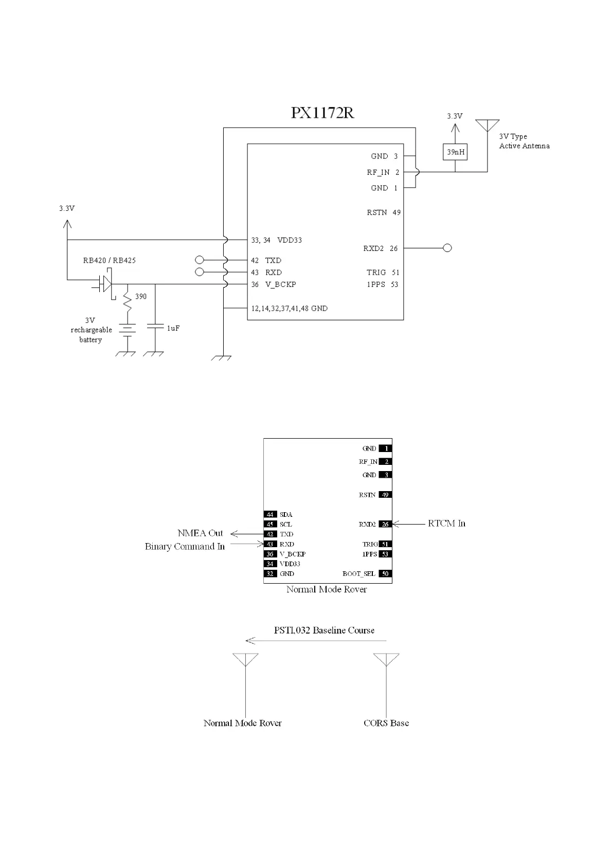
APPLICATIONCIRCUIT
ForPrecisePositioning,RoverModeConfiguration1

Related product manuals