EasyManua.ls Logo

Smith XWH 150 - Page 48

Smith XWH 150
68 pages
Print Icon
To Next Page IconTo Next Page
To Next Page IconTo Next Page
To Previous Page IconTo Previous Page
To Previous Page IconTo Previous Page
Loading...
48
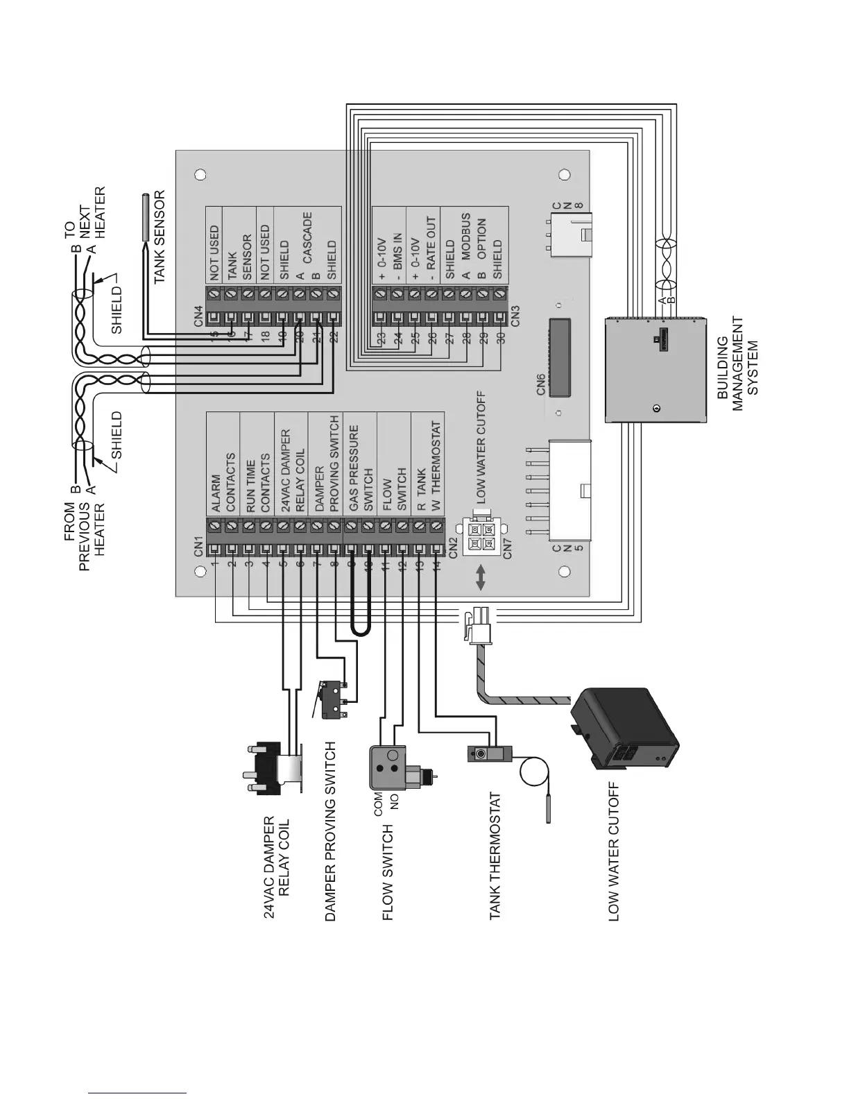
Figure 72. Low Voltage Field Wiring Connections

Table of Contents