EasyManua.ls Logo

smith&nephew SPIDER2 - Page 89

smith&nephew SPIDER2
96 pages
Print Icon
To Next Page IconTo Next Page
To Next Page IconTo Next Page
To Previous Page IconTo Previous Page
To Previous Page IconTo Previous Page
Loading...
中文简体
89126-99-01 Rev. CSPIDER2 肢体定位器 使用说明
设备描述
SPIDER2 强劲而灵活,可在手术中帮助实现最佳的定位。SPIDER2 应安装到标准手术台上的滑
轨上,或者安装到 T-MAX 沙滩椅背部的滑轨上。
使用适应症
SPIDER2 在手术期间用于定位肢体。
警告
如果未能做到以下几点,可能会导致患者和/或专业医护人员受伤。
专业医护人员有责任熟悉相应的外科手术技巧。在使用 SPIDER2 之前必须先阅读并理解
本使用说明,而且要特别注意其中的警告信息。如果不够注意,可能会导致患者和/或专
业医护人员受伤。
请详细阅读并理解所用附件的使用说明。在未阅读并理解所有相关使用说明的情况下,
切勿使用本系统。
针对具体手术的使用说明中包含更多警告;在使用本产品之前请先参阅相应的使用
说明。
SPIDER2 系统经测试符合 IEC 60601-1-2 和医疗器械指令 93/42/EEC 中的医疗器械辐射和
抗扰性限制。这些限制是为了合理避免在医院环境中产生有害干扰,但不能保证在具体
的安装环境下无干扰。如果 SPIDER2 对其他设备造成有害干扰,建议用户尝试通过以
下一个或多个操作消除干扰:
重新定向或转移受影响的设备
增大 SPIDER2 与被干扰设备之间的距离
每次使用前,先检查设备及其组件是否损坏。
每次使用前,先检查塑料外壳是否有任何可导致液体进入的损坏。
切勿使用任何已损坏的组件。损坏的设备或组件可导致患者和/或专业医护人员受伤。
SPIDER2 上的负载不得超过 23 kg,否则可能导致患者和/或医护人员受伤。SPIDER2 的一
些特定定向可承受更重的负载;请联系 Smith&Nephew
如果没有安装电池,SPIDER2 的关节则不能锁定或解锁。
连接开关袖套和/或脚踏开关后,SPIDER2 设置按钮便禁用。
如果开关袖套按钮被连接到肢体,此时切勿断开患者肢体和 SPIDER2 之间的连接。
SPIDER2 定位过程中,要始终握住 SPIDER2 /或患者肢体。
请勿改装本器械。
如果在手术期间要更换电池,切勿改变电源开关的状态,否则会使 SPIDER2 释放压力并
引起不必要的移动。
如果患者与 SPIDER2 相连接,请勿改变电源开关状态。
抓握 SPIDER2 时请勿按住快速连接释放按钮,因为这样可能会解开快速连接锁并断开肢
体与 SPIDER2 的连接。
除非您确定 SPIDER2 已锁定,否则手切勿放开 SPIDER2 /或患者肢体。
确保所有线缆妥善布置以免被损坏。损坏的电缆必须替换,否则可能会导致患者和/或医
护人员受伤。
一次性稳定套件不可重复使用,如果包装已破损,请勿使用。否则可能导致患者受伤和/
或感染。
当处于锁定状态时,如果 SPIDER2 电机持续运行或每分钟运行多于一次,则断开患者连
接并让人维修产品。
切勿让液体进入开关袖套接口或脚踏开关接口。
脚踏开关只能用于 Smith&Nephew 产品。
切勿在 APAPG OEA 环境中使用。
除非另有指明,否则切勿使用溶剂、润滑剂或其他化学品。
SPIDER2 电池充电器只能给 SPIDER2 电池组(参考编号 72203301)充电。其他类型的电
池可能会爆炸并导致人身伤害和充电器损坏。
由于泄漏电流,SPIDER2 电池充电器不得在患者护理区域内使用,否则可能导致患者和/
或专业医护人员受伤。
SPIDER2 电池充电器不得在易燃的麻醉气体附近使用。
SPIDER2 电池充电器仅供室内使用。
应立即替换有缺陷的 SPIDER2 电池充电器电缆和电线。
插座应安装在 SPIDER2 电池充电器邻近且易于触及。
注意事项
美国联邦法律限制这些装置只能由医生销售或或遵照医嘱销售。
SPIDER2 不得以锁定状态存放,因为这样将大大缩短设备的预期寿命。每次存放前都要先
卸压,方法是将电源开关切换至卸压位 1 秒,然后让开关返回关闭位。
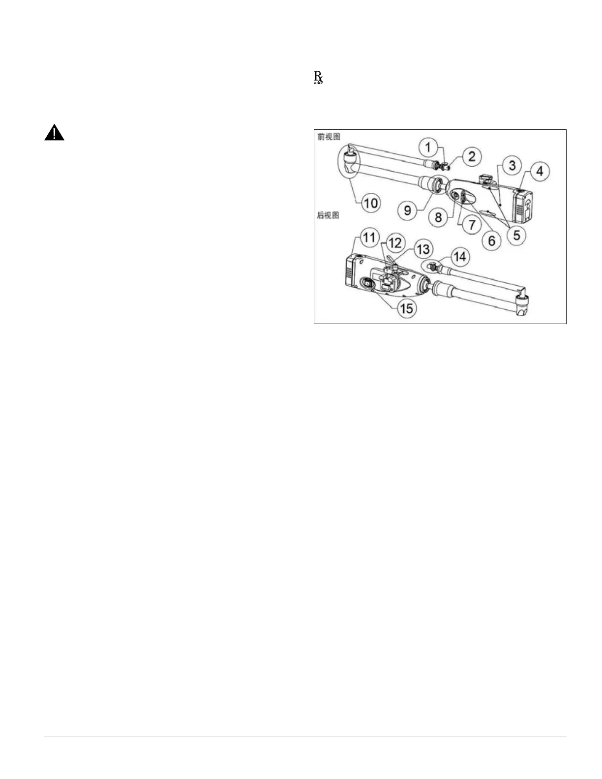
组件
图 1. SPIDER2
1. 快速连接释放按钮
2. 凹式快速连接锁
3. 指示灯
4. 电池释放按钮
5. 袖套夹 6. 脚踏开关接口
7. 开关袖套接口 8. 设置按钮
9. 哑铃形关节 10. 铰接关节
11. 电池 12. 夹钳致动旋钮
13. 夹钳分度把手
14. 远端关节
15. 电源开关
首次使用前
1. 首次使用前先给 SPIDER2 电池充电,因为提供的电池未充满电。
2. 充满电后,将电池安装到 SPIDER2
3. 将电源开关切换至开启位(图 1);SPIDER2 将被激活,且所有关节将锁定。

Table of Contents

Related product manuals