EasyManua.ls Logo

Snap-On CGG8850 - Parts Listing

Snap-On CGG8850
96 pages
Print Icon
To Next Page IconTo Next Page
To Next Page IconTo Next Page
To Previous Page IconTo Previous Page
To Previous Page IconTo Previous Page
Loading...
87
ZCGG8850CE Rev. D (08/20)
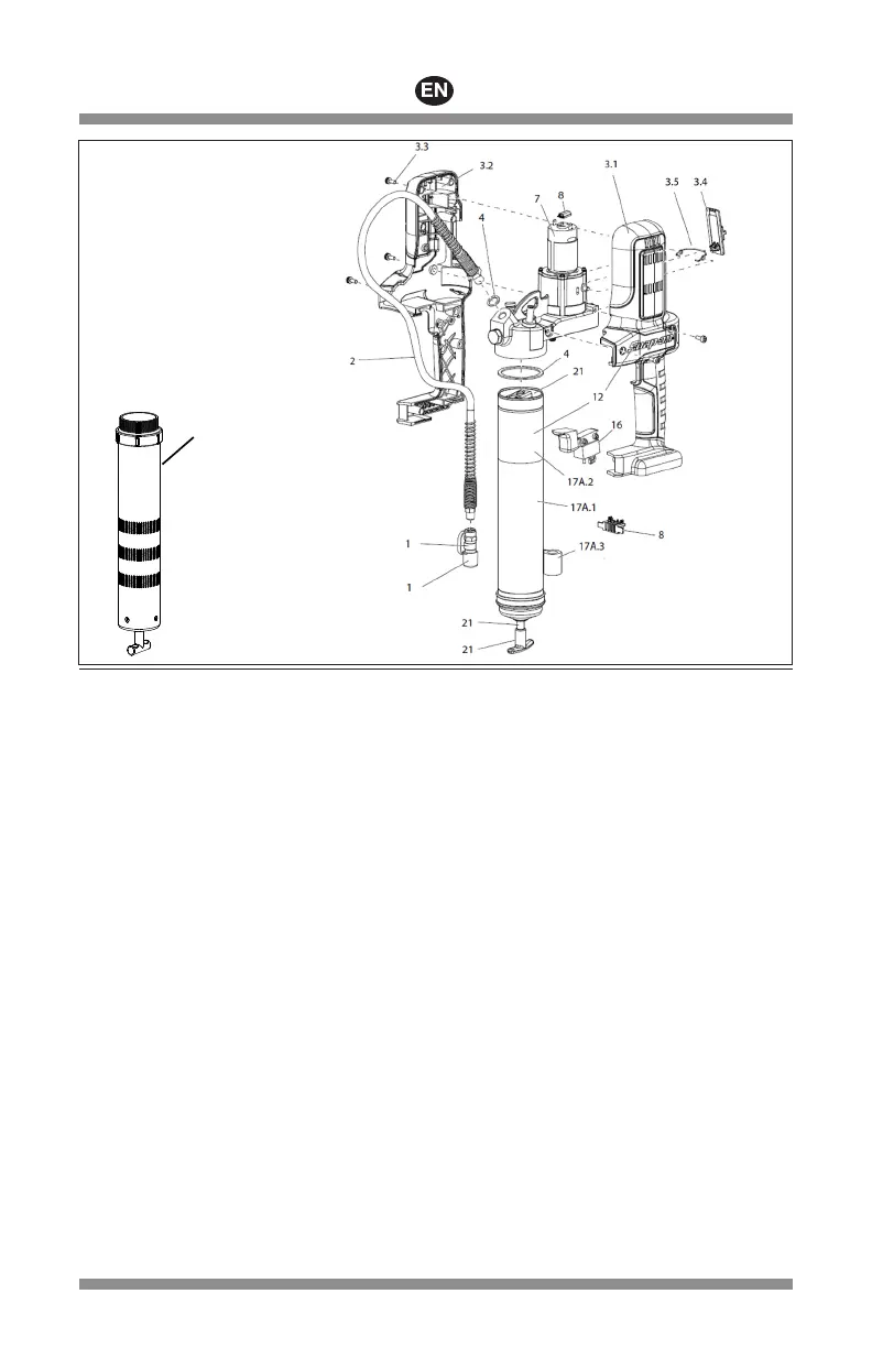
Figure 8: Cordless Grease Gun
Parts Listing
Ref Description
Qty
Part Number
1 coupler 1
CGG5852
2 flexible hose with gasket 1
CGG1236
3 housing with screw & 1
CGG280160
selector kit - red
housing with screw & 1
CGG280160G
selector kit - green
housing with screw & 1
CGG280160O
selector kit - orange
housing with screw & 1
CGG280160HV
selector kit - hi-vis
3.1 left housing 1
3.2 right housing 1
3.3 screw (M4 x 16) 6
3.4 gear selector 1
3.5 lever wire 1
4 seal kit 1
CGG271884
7 pump assembly kit 1
CGG280246
8 electrical component kit 1
CGG280158
12 decal kit (asst labels) 1
CGG280161
Ref Description
Qty
Part Number
16 trigger 1
CGG286095
17A grease tube kit 1
CGG271882
17A.1 grease tube assembly 1
17A.2 caution label 1
17A.3 hose clip 1
17B 16 oz grease tube 1
CGGA885014KT
assembly kit
21 follower rod kit 1
CGG286091
17B
(CGGA8850 only)

Table of Contents

Related product manuals