EasyManua.ls Logo

Snapper 521E - Safety Decals

Snapper 521E
32 pages
Print Icon
To Next Page IconTo Next Page
To Next Page IconTo Next Page
To Previous Page IconTo Previous Page
To Previous Page IconTo Previous Page
Loading...
9
Safety Decals
This unit has been designed and manufactured to provide
you with the safety and reliability you would expect from an
industry leader in outdoor power equipment.
Although reading this manual and safety instructions it
contains will provide you with the necessary basic knowledge
to operate this equipment safely and effectively, we have
placed several safety labels on the unit to remind you of this
important information while you are operating your unit.
All WARNING, CAUTION, and instructional messages on your unit
should be carefully read and obeyed. Personal bodily injury can
result when these instructions are not followed. The information is
for your safety and it is important.
The safety decals below are on your unit. If any of these
decals are lost or damaged, replace them at once. See your
local dealer for replacements. These labels are easily applied
and will act as a constant visual reminder to you, and others
who may use the equipment, to follow the safety instructions
necessary for safe, effective, operation.
Note: Not all control symbols shown on this page will appear
on your snowthrower. See FEATURES AND CONTROLS
section for the applicable symbols.
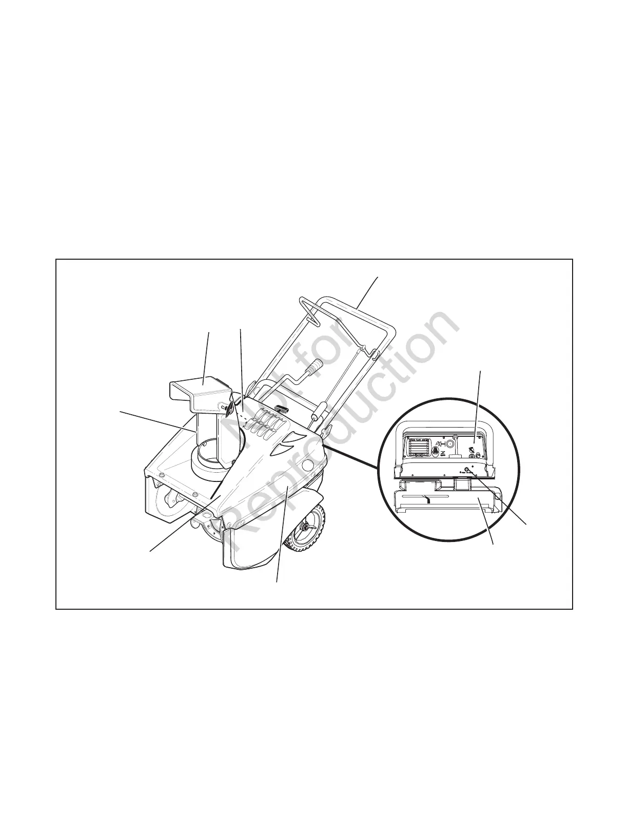
VIEW FROM REAR
4
8
9
7
3
2
5
1
6
REF NO. PART NO. DESCRIPTION
1 - - - - - - *Decal, EPA, Mass
2 728046 Decal, Electric Start (EN/FR)
3 1742294 Decal, Dash Panel (EN/FR)
4 276063 Decal, Briggs & Stratton Logo
5 1737831 Decal, 521E
6 723023 Decal, Warning Hot Muffl er
7 723710 Decal, Auger Control
8 728042 Decal, Danger Chute
9 728043 Decal, Danger Auger, Foot
Not for
Reproduction

Related product manuals