EasyManua.ls Logo

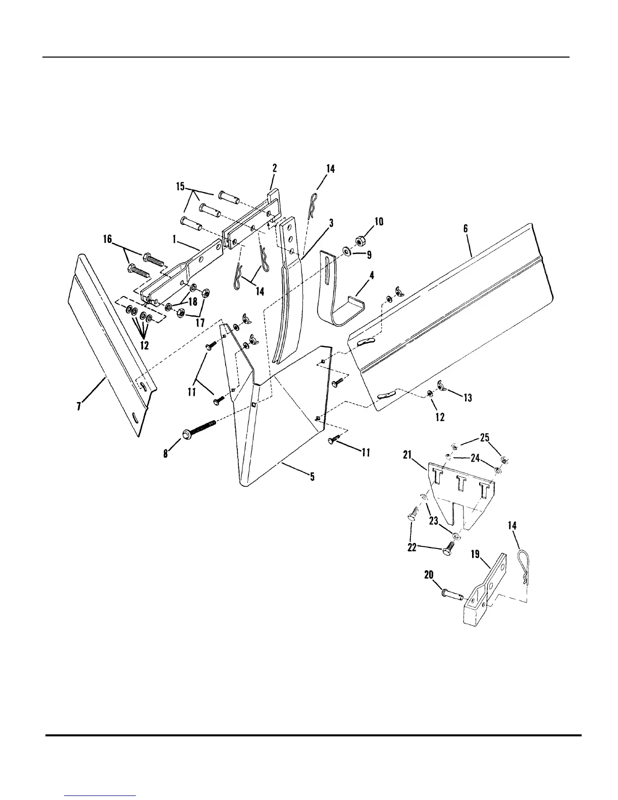
Snapper R5002B - Garden Tool Accessories (P;N 60731 Hiller Furrower Kit)

Snapper R5002B
54 pages
Print Icon
To Next Page IconTo Next Page
To Next Page IconTo Next Page
To Previous Page IconTo Previous Page
To Previous Page IconTo Previous Page
Loading...
Garden Tool Accessories (P/N 60731 Hiller Furrower Kit)
TP 400-5202-5-RT-N
Manual No. 7006033 LARGE FRAME REAR TINE TILLERS
SERIES 2
50

Related product manuals