EasyManua.ls Logo

Snorkel A38E - Page 77

Snorkel A38E
136 pages
Print Icon
To Next Page IconTo Next Page
To Next Page IconTo Next Page
To Previous Page IconTo Previous Page
To Previous Page IconTo Previous Page
Loading...
Section
6.2
Schematics
6-11A38E Work Platform
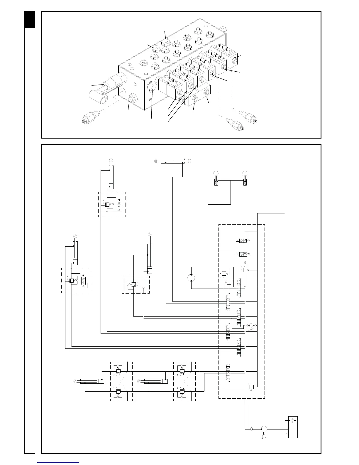
Figure 6-3, 4 : Hydraulic Schematic
MMB
SLEW
RESEVOIR / HYDRAULIC TANK
MP
F L1
M
CYL1- BOOM1
V11
A
B
V12
CYL2- BOOM2
V11
A
B
V12
CYL3- TELE
V11
A
B
V13
V10
(RV)
MOT1
TP A6 B6 A 2 B2 A3 B3 A 4 B4 A 5 B5 A 1 B1 BRAKE
CYL4 - STEER
A
B
BRK
BRK
CYL6 - SLAVE
A
V15
B
F C
EF
CYL5 - MASTER
A
V14
B
F C
EF
V9 V8 V7 V6 V5 V4 V3 V2 V1
HP
P
T1
STEER
BOOM2
BOOM1 TELE
CLRV
CLRV
V10 (RV)
V8
CLRV
V7
V4
CLRV
V1
V2
V9
V5
V6
HP
TP
A1
B1
A2
B2
A3
B3
A4
B4
A5
B5
A6
B6
T1
BRAKE
V3
P
MMB -
Main Manifold Block
CV
dedda evlav kcehc enilnI
JUNE 2013

Table of Contents

Other manuals for Snorkel A38E

Related product manuals