EasyManua.ls Logo

Snorkel A38E - Electrical Schematics

Snorkel A38E
136 pages
Print Icon
To Next Page IconTo Next Page
To Next Page IconTo Next Page
To Previous Page IconTo Previous Page
To Previous Page IconTo Previous Page
Loading...
Schematics
Section
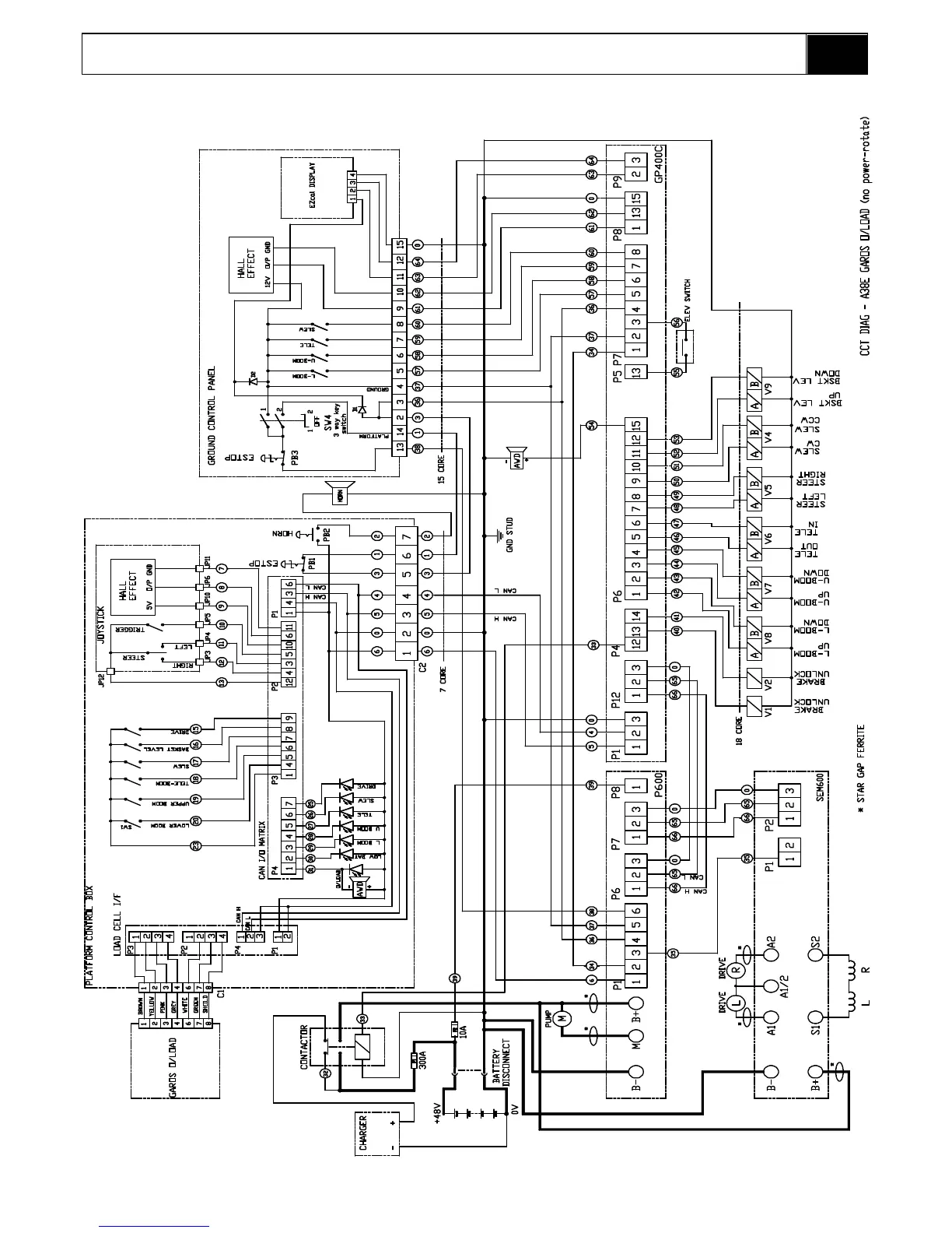
6-3A38E Work Platform
6.1. Electrical Schematics
6.1
512819-002

Table of Contents

Other manuals for Snorkel A38E

Related product manuals