EasyManua.ls Logo

Sofarsolar HYD 3K-6K-EP - Page 36

Sofarsolar HYD 3K-6K-EP
71 pages
Print Icon
To Next Page IconTo Next Page
To Next Page IconTo Next Page
To Previous Page IconTo Previous Page
To Previous Page IconTo Previous Page
Loading...
HYD 3K~6K-EP User manual
Copyright © Shenzhen SOFARSOLAR Co., Ltd
- 31 -
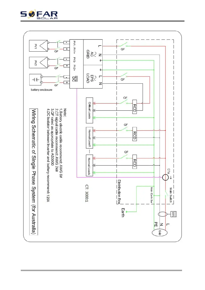
Fig. 4-15 Electrical connections (Plan A:CT)

Related product manuals