EasyManua.ls Logo

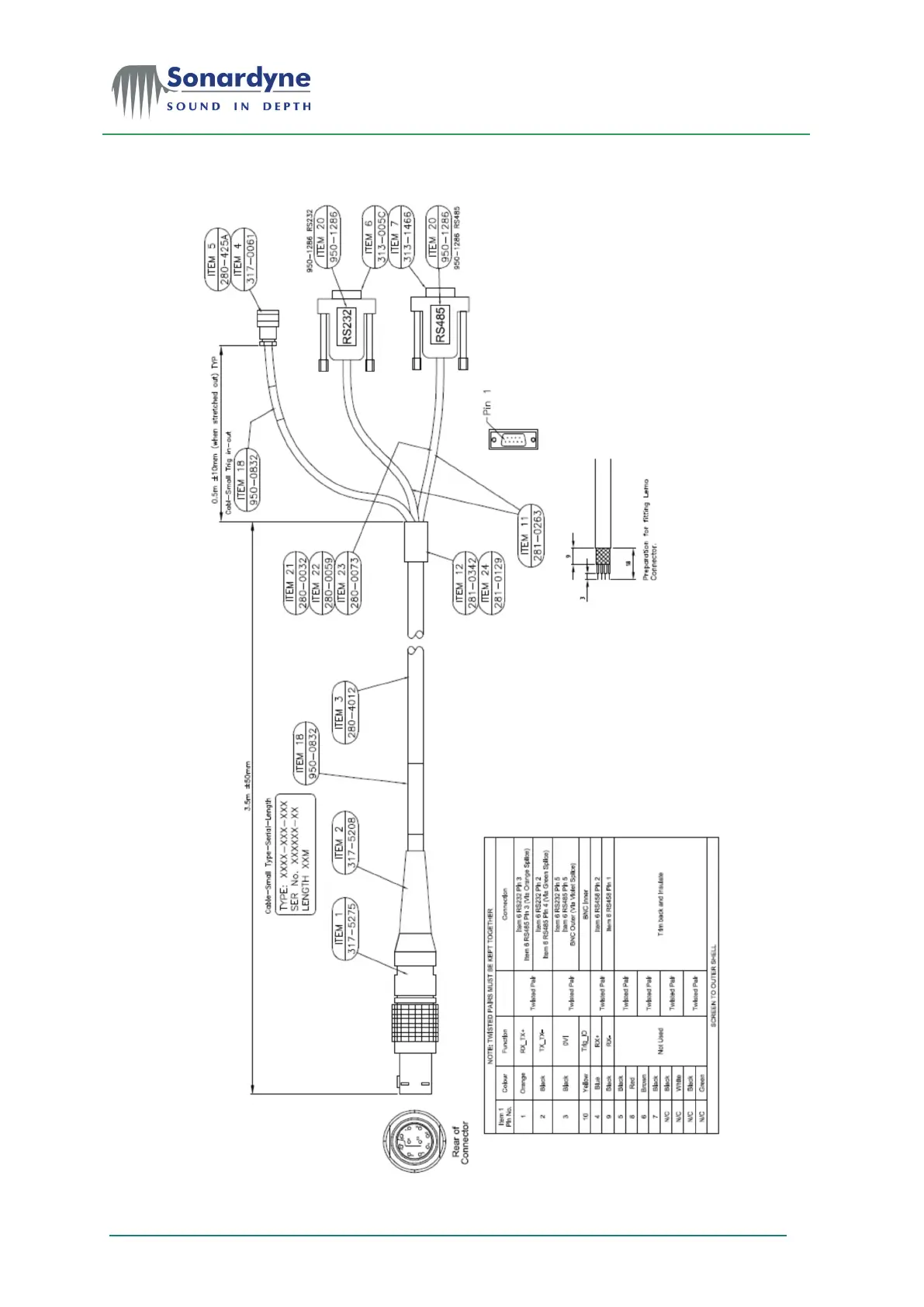
Sonardyne Lodestar - Figure 19 - Lodestar Surface Transceiver Test Cable

Sonardyne Lodestar
58 pages
Print Icon
To Next Page IconTo Next Page
To Next Page IconTo Next Page
To Previous Page IconTo Previous Page
To Previous Page IconTo Previous Page
Loading...
Lodestar Hardware
Manual
Document Ref: UM-8084-
101
Issue: ARev
8
© Sonardyne International Limited 201
3
47
Figure 19Lodestar Surface Transceiver Test Cable CPN 820-0064

Table of Contents