EasyManua.ls Logo

Sony BVT-2000 - Page 21

Sony BVT-2000
49 pages
Print Icon
To Next Page IconTo Next Page
To Next Page IconTo Next Page
To Previous Page IconTo Previous Page
To Previous Page IconTo Previous Page
Loading...
@
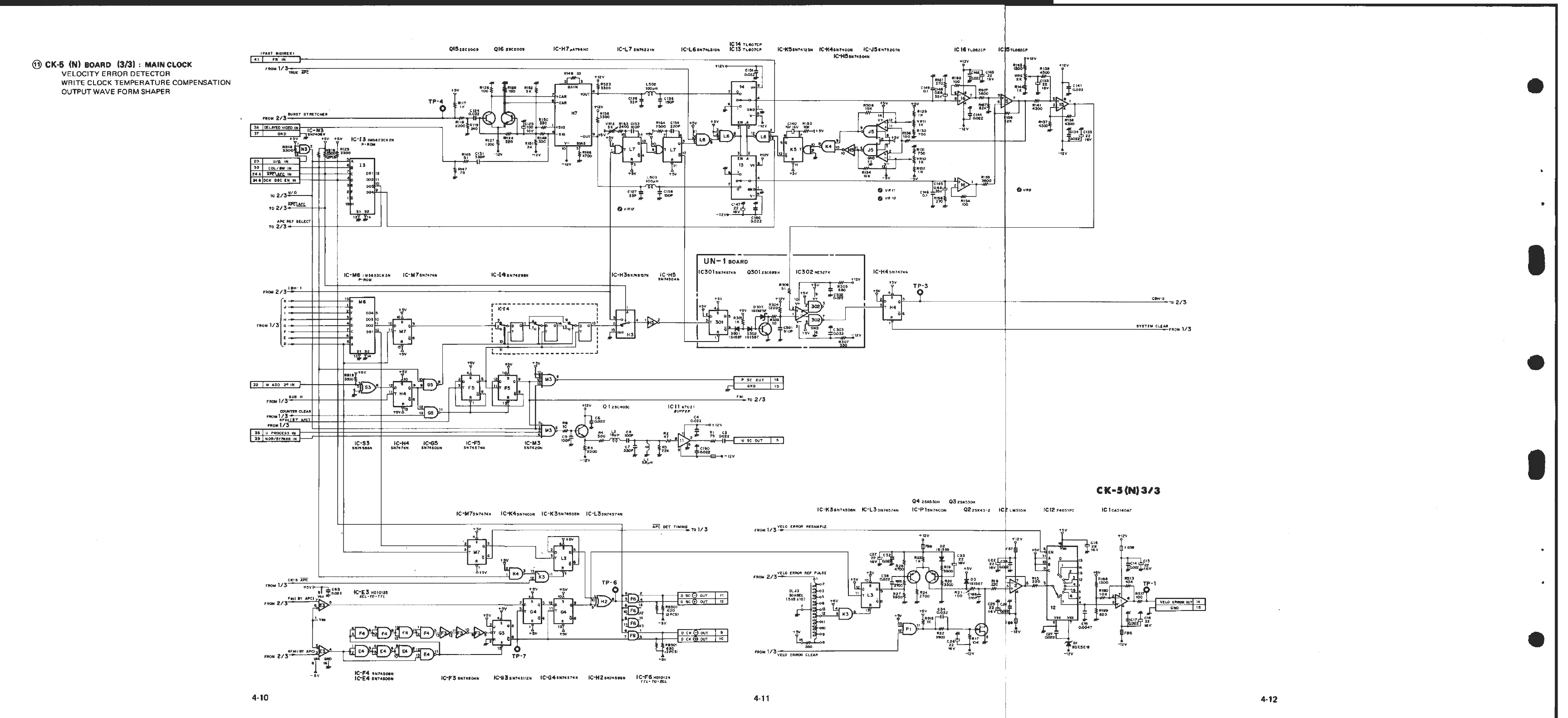
CK-5
CN)
BOARD
43/3)
:
MAIN
CLOCK
VELOCITY
ERROR DETECTOR
WRITE CLOCK TEMPERATURE COMPENSATION
OUTPUT WAVE FORM SHAPER
Ql5
uetoo•
I
,.A.IT
•ID
IRllC
I
4 1
fl
IM
IUAST
STMTCHIUt
"10M
2
/
3~--
----------------------------------------
.._
...
.........
_.,,_..H
~
DElAY(()
'f'IDCO
IN
't'~I/
IC•f3
IM
H2JICK2N
P·Ri:..
RlZ~
noo
~
.
~··~~~!!..!.!!...-f~-tt--t""-t--~·~
13
001
12
002
II
1
••
...
PC
AU
sneer
fo2/
3~
-----+-++---t-----------~
C8H
· 1
IC·
M6
1
lrU6Z3CK3fril
""·ROM
IC-M 7 SNf4741\i1
016
......
.
.,,.
-1.H'
IC
-
14
tN14Z:91N
IC-H7
)I
A.1'9&HC
IC·L 7
••'"'""
-+la"V
ltSU
lOOZ
GAIN
S:IOO
IOOwH
""""
C1H
CIH
....
""
J;
l
'""'
HT
ltf51
uoo
...
v-
....
IO
ltl4•
4
100
-1zv
...
•••
,
...
IOOJJM
IC·H3s•>"'"""
IC
·
H!!
SIH4S0
4fril
......
213-------+--+-----+---------------------------------------------------
--------------------------
~
U W
ADO
to
IN
C:OUNTllt
CL(A•
"10
M1/3~
-----+-+---
--
t-i
--
--------
+-
--------~""t_:::-
~
/
"'tCI
M;~~
~'""-
....
"+-+----+-t----------+------------------'
1
...
IC
·
S3
SN714Sa&h
IC·E3
HD\
O!U
CCL
- ro -
rn
IC·H4
SJrrf7474N
IC-G5
S
N74
SOON
r·
--------
-
--
------
-
--,
I
IC-U
I
I
: .
1
I
i._!'
-----
-
---
- - -
--
-
--
__
J
IC
·
M7
s
~747'4~
IC"'f<4
sN740
0N IC·K 3
sN
7H08N I
L3
s
NT
4
:S74N
TP-6
IC·F4
••••oo•
I
C-E
4
••
1
000
IC·F3
••1•104•
IC
-G3SN?4S112
"'1
fC·
G4sN74
S7
4N
4-
10
I
F6
H01
01
z ~
T
TL·
1l:1-tcL
ICl4
tl$0f<•
IC·L6
S•'4•S10
IC
13
n•oTe
. ,
..
Q.022
u
N-1
BOARD
P S C
OUT
II
•••
t•
>-
----
-~
Q-10H
"SC
OUT
OU
T
I\
OUf
o
ut
OOT
10
I
•>
v
,~
..
l
/!
'Yt:lO
ERR<Mt
CLEA
.It
4-
11
-.....r-+-
--~vr.lO
G ""n
0
VR
10
IC-
H4
SN7474N
....
, .
IC
18
TL012CP
.,
..
...,.,
IC
5ru>u
c•
O v••
04
2~.)()
H
03
2SA530H
IC-P
hN71C
ON
Q2
zsl(41S-l
IC
LM310M
1"-12:Y
.,
·1
2v
I
STSTUI
CU.ut
FROM
1
/3
I
CK·5(N)3/3
IC
12
'"'o~~PC
IC
1
C
A3~40AT
, .
..
-
12v
4-12

Related product manuals