EasyManua.ls Logo

Sony BVT-2000 - Page 24

Sony BVT-2000
49 pages
Print Icon
To Next Page IconTo Next Page
To Next Page IconTo Next Page
To Previous Page IconTo Previous Page
To Previous Page IconTo Previous Page
Loading...
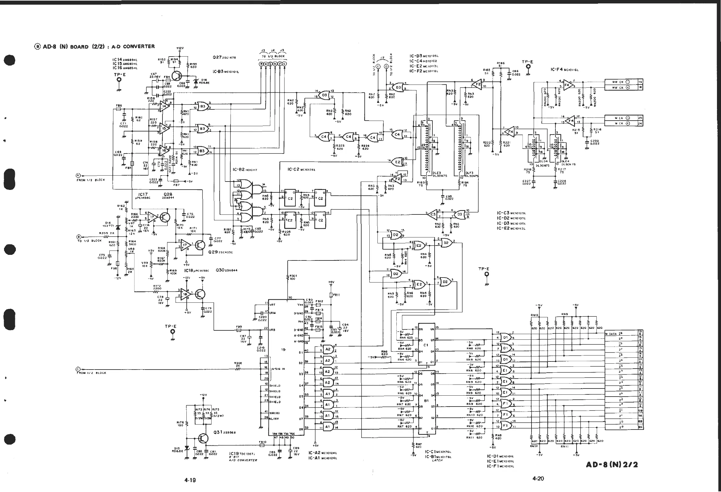
@ AD-8 (N) B
OARD
(
2/
2)
I
rROtit
1/ 2 BLOCK
TO
1/2
HLOCI<
I
,.,_
OM
I/
Z
l!I
LOCI(
A·D C
ONV
ERTER
IC
14
AM68>Hl
IC
15AM
UOHL
IC
16
AM680Hl
TP·E
i
-5V
1"12V
TP
· E
~
llt1T6
•80
010
RD6.
8C
'"''
620
4-1
9
-12v
Jl
J4
"'
,...--..,,...--..,,..--..,
Q27
2sc1•10
TO
112
IL
O(K
IC-83
MCIOI
OIL
IC·
B 2 H010117
C77
r a.022
-ov
Q
29
2sc•o3c
F69
22
VRB
Cl7
16V
··
r r
IC
1
9T
OC1007J
8 -
BIT
C2t9
0.022
A/D
CONVE
RT
£R
19
C08
r
0.022
I
C·C
2 MC1
0176L
R301
100
30
C09
22
r
1'V
IC
· A 2 MC
1012'L
I
A 1 MC10124L
RN2
620
..
,
620
IC
·
03
MC10100L
IC
·
C4
H010102
IC·
E2
MC10113L
IC.
F2M
C10116l
·
•V
I
C·C
1 M
CI0176L
IC·B
l Mc1
0116L
LArCH
C227
0..022
.r
TP
· E
l
-
•v
IC·
C3
MC1
0120l
t C
02
M
C10
I
OH
IC·03
M
CIOIOH
1c-e2
MCl0113L
IC
·
OI
M
C•O
l01L
IC·E
1 MC10 101L
IC·F
I M
Cl0
1
01L
-ov
4-
20
IC·F
4
fol
Cl0116L
C.
226
I
Q.022
-ov
- ov
2
..
0
2
"
..
""
c•
0
MW
CK
(3
AD·8
(N)
2/2
••
18

Related product manuals