EasyManua.ls Logo

Sony BVT-2000 - Page 28

Sony BVT-2000
49 pages
Print Icon
To Next Page IconTo Next Page
To Next Page IconTo Next Page
To Previous Page IconTo Previous Page
To Previous Page IconTo Previous Page
Loading...
..
I
I
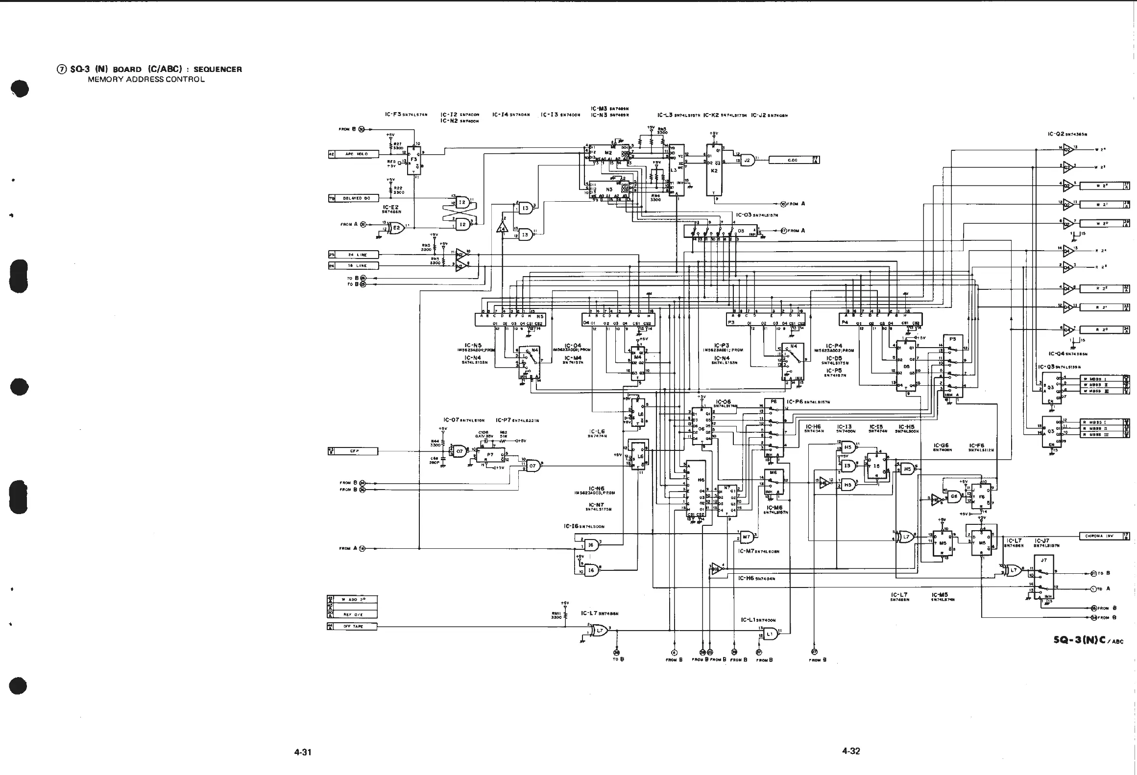
(!) SQ.3 (N)
BOARD
(C/ABC) : SEQUENCER
MEMORY ADDRESS CONTROL
4-31
IC-F3
51\1741.STO
IC-12
liN7'400fl
IC•N2
S.F~OIN
IC-14
Sfrl7'404N
IC·l31N7400N
IC·M3
••1-•
IC
•N
3 Sfti!T489ff
""°"
e
e-------~
~f...
1,0
...
fnoo
~
I<~·
IL...:•~oc::_;1«>~LO~_J-
.......
-':'
r .?..---.J
1tn
_
1
!
Fl
,.e..,~•
QB
~-------------.-~.'!
Mz
i
vc
iJL.._____J
o1 o1
i
11
,---=---,m
4 1
DOtr-~
I I
;::----
"
~
------+-+-~"
I'
I'°
I"
r•
,.:f:.,
L3
:~
••K:
,.
~
.___......:<;.:
·•
.:.
-'--1'114JI
._T~
trel
0[LAT(0
00
IC·E2
Sff7481H
11~1
11!4
LIN[
RN~
.4,
.K
I
JJOO
'!:
o I
lz.41
1&
Lll\I(
v I
ro
B""l"".I-,._-----------
-~
roe~~----------
---
----'
T~
13~
·~
"~..
"
' IZ
13
r
L I.
[ ' c
tt
H:i
I
A I C D
01
02
OJ
....._
""'
,.
.,,
IC-07U17"l,I
ON
IC-P7
IU7"LC221N
Cl
Ot
Ril2
0.47/~
!
V
S111(
i;;~
T.
·~
•••
T
...
,f
rvR111r-<
c
•;;·;--1-
---
--
+-_:'.:."':.::
0
+~
01
c
..
.L
JtcL9l
t'J'I
1411
I~
!'ti
,AOtil
el"n->
~
------
1--
----------
~
••
o
~
11
~r,.)---
----
1--
----
--
------
'"OM
A
I
I
I
11
0 7
e
ilUHlf'iY
noo
f
___,,
Ht.
11
-.O<ll
!
INHF!i
L-
12
N3
I I ,,.,
Klr.!!
£ft
..........
,
...
....
.....
_
,
~f'lh'.-..
A
--,~~4--+.+.._---+--------,
IC-03
s1i1T•1.S1ehl
I
,.
La
17'
l•
1..
11&
I
A.l'ICOt:
'G
N
04
01
02
03
CM
CS1 C.52
' .
4
t q j j
03
1
,_~n
~'~---t
~••)•"°"
A
'-~.~i..:l"-1.~...&-1:-!-1~,--""~
...
c
P3
E
OJ
l"I I
~~~~~Ml
~
..
IC·P4
JWl9tZSADOf~fl·OM
IC·D5
SN14LS11Sft
IC·P5
IN74Ul1N
IC·
P6
u
'l'4Llll57N
IC
-L 7
SN
7
48•N
•)
"'0611
B
l'ftOM
B
r1tOt11
9
,.110611
B
"1tOM
B
4-32
I
11
.
,,.
.
..
c.•1
Clll
IC·
L7
Ul7411N
1C-Q2
u1436~N
~-----------t---~-~-"-~·~·-~···
v
~~~~~~~~~-...l~~~·'la2"-~-L-~w"
17'
.
........
w
••
v
12......._
11
>' l'.'I
........ 7 ---.-
.-.--1'.-'1
17"
IC-t.15
Hi74Ll74fij
1..t;J1$
.------+-
.....
-+-I----~~·
............
~
..
'--~•
••
v
,-----+--,r+--++--.....!•~"-i>l'---·
••
v
........
-
•••
v
.........
v
.
,.
.
.......
•••
•c
·o5
5"74LSUHI
~
..
~
.....
,
J
Ill
03
OIU,....____j
W
MBU
Jr
L......1
A.
-
L.6_____J
111e
H
II
.,
07
I-fl
l'tl
l'tl
l'ii'I
~I
1'111
--:
...!L______..r-:-.-.-·'"•"'•"'1,---.,1..,•1
L...-....!!118
01
:i!.L--
MBll
D l<ltitl
~
~
03
~
Jg__Jl-"•""•"'•"'•"'•""m'::--;1.r,;iv1
CN
OJ~
..
SQ·3(N)C1•11c

Related product manuals