EasyManua.ls Logo

Sony BVT-2000 - Page 32

Sony BVT-2000
49 pages
Print Icon
To Next Page IconTo Next Page
To Next Page IconTo Next Page
To Previous Page IconTo Previous Page
To Previous Page IconTo Previous Page
Loading...
:,0.
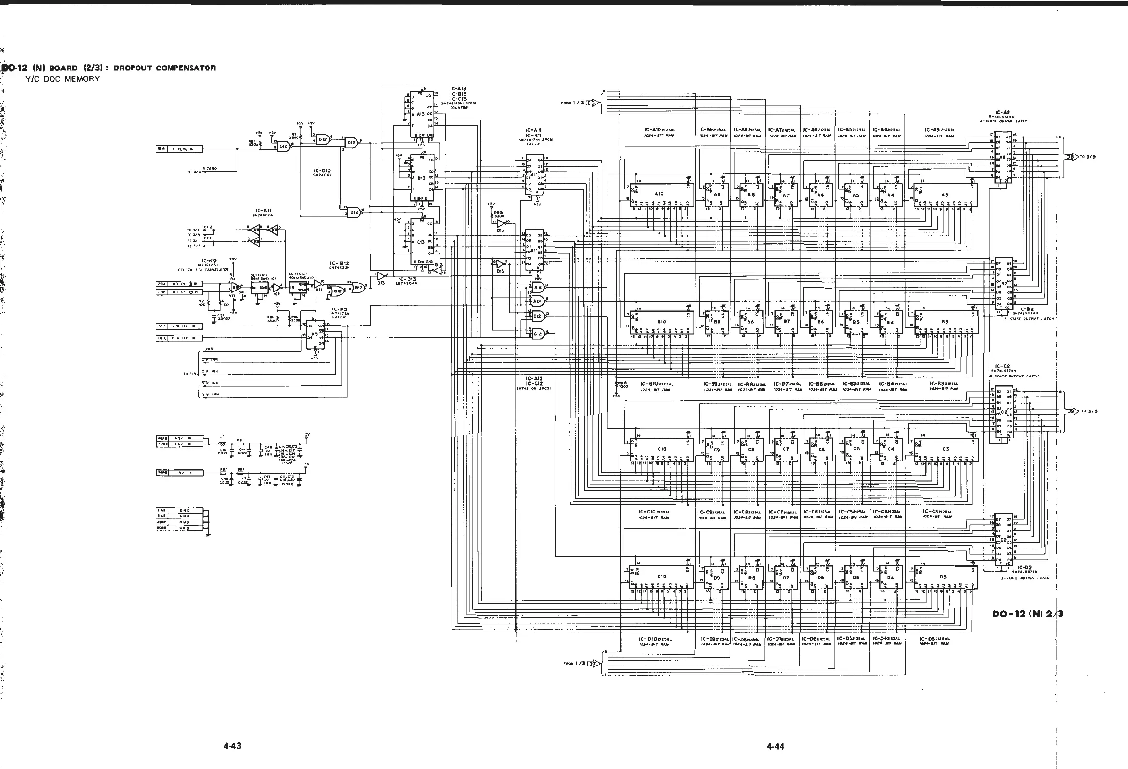
12 (N)
BOARD
(2/3)
Y
/C
DOC
MEMORY
1'
...
· '
~
-
·'
;/
.;;
:~.
,.
DROPOUT COMPENSATOR
-------1!__
IC-
A 13
P
~,!!
IC-
8 13
IC
·
C1
3
( 1 S
..
hl
l
•>NIJ
P'CM
0 0 -
COU#Tl
.11
.a
A13
0(
l!l--
0
11"
'~
>----~
.Sv
Sv
~T
o
•I""
~+----~
.,
..
*
..
.
.~
L
--
,"
'---'
'
.r
-
--..
,"
[W
l I
.,,
~
l
012
•)>'-
·
-.-
+'--f----'
~~:!:!!!~::J-
---
...,~~
u
~oo
1
_.J
~
D
~1Z~
1
2
1
t-5
v
~-"
, "
?(lit()
IN
IC·
Att
IC-811
Slill
74·S
I
T.tfill
t
Z
~~
l
.&
TCH
I
•S
V
~
r---
~
'
~
" .
""'·
~
·
--
-----...,
'YO
313"
"-'-'-'"°----'
IC•012
":
:l""
'--
.__-
-
.....--H
---
---'~~·:
o>f:"-:-
----
-
~
SJri17400fll J .t
ialJ
0C
IZ :
0
1
A
H
0
1
,_,:
~
----~
..
l"'--+
--
-.+H+-----_.__
-t
,.
~rr
0t'"'
1
i
T 0
. '
..
,
.
..
~~~
__.J~:
~:~:.-
---
--<>'
<1<~
TO
!ill
t
1
TO
t/
l_...J
I
1-
:-
-::-zj
+-
·-·-·
- ·-
.....
~
~··
. -
f5\'
ftri
(
,U
1
~
..
1
..
.. l
""
"l
J.
c;
~
OND
_H
GlllO
"l--1
IC-A,01•n•
l
'41
4 - , ,,
tt
.Jw
I
C-A
3 l
tZ
S.A.4.
I
~
======
==!~~~~
~
~~
~
~~~~~~~~~~~~
~~~~~~~~-+--+--
:::
:::
:::
E _ ;:::::
=~-
-
1-:::::-1---='~
Ef
~~~~~
~~
:l_l
...
·-
·
.....__
..
--
---
--
-----
__
::
_
4-43
IC-O
I
011nu
t
Ol"f
·
~
r
ttMll
IC-D9z121i1o1.
IC-09.N:SA&. IC-07'llrl5M. IC -
Deltas&
L I
C-0
!1
t1SAL
I
C-
04at.z:sAl
tO#tll - rT
ltlfM
t
OZ•-
Jr
lfAM
10.u-•r
,,
..
" 1
01
-
1r
....,
t
OI
·
.,
lf
,Jr,M
t
CV4
-
#7
.....
4-44
I
C-
03
t11S&L
,_.-.,r
I/NI
I
A2
t
•7.t
l
SJ
7
<11
1111
J- J
f'
.t
rc
04/TNf
l
.t
ft"H
IC·C2
S1t 7• l t
J1
•0•
lfATE
OUTl'iJT
LArcH
D0•12
(N J

Related product manuals