EasyManua.ls Logo

Sony BVT-2000 - Page 36

Sony BVT-2000
49 pages
Print Icon
To Next Page IconTo Next Page
To Next Page IconTo Next Page
To Previous Page IconTo Previous Page
To Previous Page IconTo Previous Page
Loading...
@
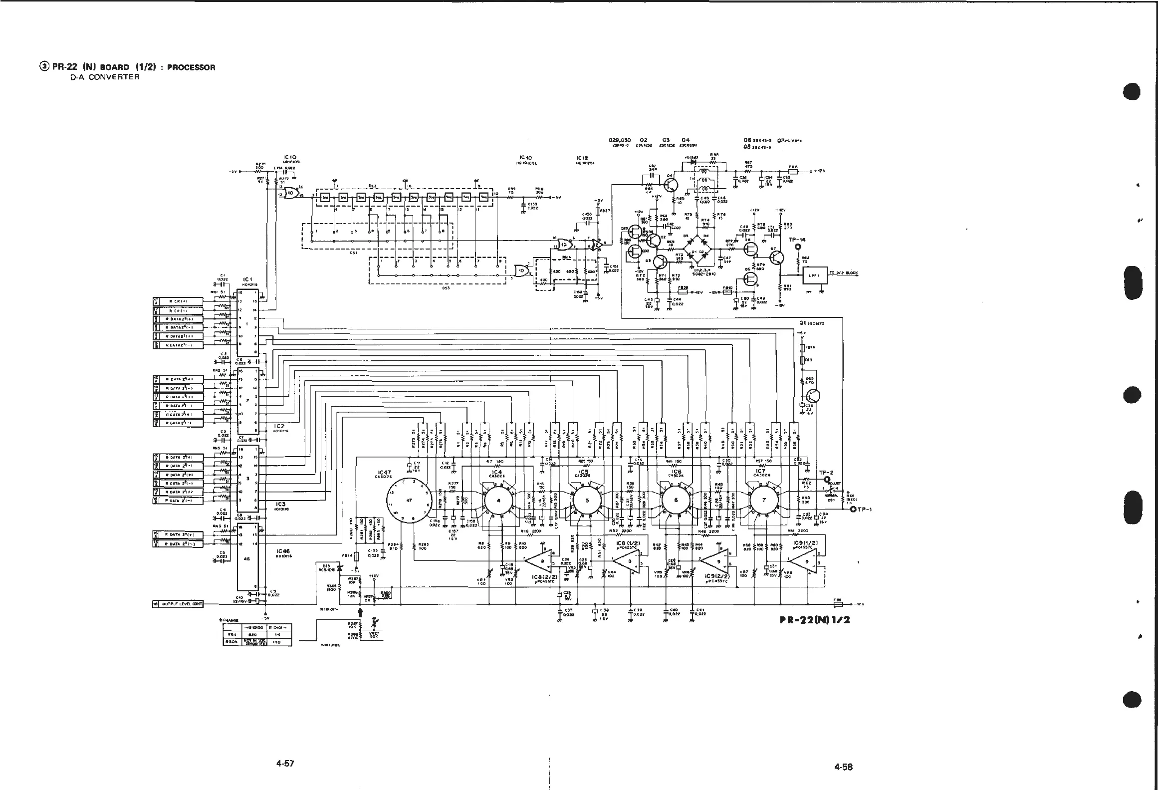
PR
-
22
(N) BOARD (1/2)
0-A
CONVERTER
PROCESSOR
"""
JOO
IC10
..0101
0~1.
IC10
'4(l t0 t
05l
0
29
,030
02
n.c.:s·!
:ucu~
c
1,.o.ou
-
··--
-
~~.,._.,...-
......
~.!;l
5 1
,:'
I.ii
r--~
-----~!_
____
t.
6
______
_____
r!,._~
-It
ltH
·~•.,,
1_
•o
..
~
)
"~
-;•~:-t-{3-r{3-rl3-r8-"9rE}--{3-
£rEJ-"8
r.-:•1"•_
.,,
'
.,.'
-
,.----<
w"
...__..,.
«
O.OJl
IC 1
Ht-
MOtOU6
~
"''"
S t
1
,s;
ti
r,J,
tJ
ttC
l
•I
r-MI'-
4)
, , _
r.o
rr==;
.:";
,
:';.'7
,_
:':
,
:===1-
_c~~.!!·U1z
"'
.---
'-
...J
l c
tn
- -
14
~
-
- -
5 7
~
,.
,,
11
1
;"'
- l
o_o
zz
1
11..,,
...
lo--
- - - -
~-
------------
--
.....
--
-
-
--
--~-
--
..,
I
t I : I Z l
~
I
I
l_
_____________
--
-
---
---
-
--
...:
...
i-
~--
> 4 I f 1
;1
I I
I I
L
__________
___________
__
J
..
.
C•'-0
lJ'
~OU
.r-4t-
..
.
It
10 ) ,
-
__
!!"..!
_ _ ··1'-J.
I
T
-'
~
'
1
uo
u o
uot
11r1-oru
'
1
fZO
,-
-
--
...
-'
:...
__
...
J
~I
-sv
03
04
,HC\Z~
JICHIM
,
..
lo.on
Q6
Ht<
4J-J
Q7JS
CH9H
05
2St<
4)
4
)
••
,,
.
TP-~
0
...
..
ou•2
t•,
~
4
zCl
~
~~~~~~t
=§rM'r.~,
~
1
01 n
c•
•"
R
OAT
.&1
t-I
rN'Jii
:....
)~
'--------------------
-----------
--------------
---
--------------
-
---~
...
...
o
au,z
r1
••
.....
1
r----1.-l'----------
-----
----------
---
---------~--
-
--
--
--------
------
----...,
II
1110
11ru
t1-1
~
I
I
J,.
t
'
.
.
'
A 0
.&
U;tfl+I
R 0 &7A z'\ ... 1
R oau ,
z'l
- 1
R
OA
rAf
l+ I
1'0-f
&
~-·
( I
Ir-
~~
.~
:U
iHl
·~µ;~";J,
I)
I~
-
~
!
~
----
-------
--
------
-
-----
-------,-
----
---..
r--..
It
M - -
..
1-t--
+-'
•-
>--
•hi--
---'
1-
1--
,
c~2
-
-'
"'°t
OH
I
..
1-1-
--
-
--'
~--------
·
··
-----
-~-----
--
-------
--~
l l l
;;
;; ;; ;;
; ; ; :
;; ;; ;; ;;
;;
;,
;..
;;
: : : : ; : . !
...
~
~
,
..
zz
...
fO
VI
..
oc:c
•1-
1------~
•1-1-
-------'
•1-1-
-------1-'
IC47
TP·2
•1-1-
-~---
---'
IC3
C4
·-
M0
1
01t
f
0.
0U
-
it-I
I-
~
....
~I-
-
AHJ
51
~1&
1
~
1,jl'~t'~R~OA~T~A~
t~•
~
t
1
~
l
~~
=;::::~~
f1
1)
•S
>-<>-
------
-~
r,•1
•DATA
1
11
1-1
11 t
•l-
1----------'
IC
46
••
·-
HOtOu•
·-
·-
C
.t.1
0
26
-
C
•O
._,.._
o~o
'u
~~
_
_J
\W
I
lh
•!Lc
ou~•
""~
'~~~·
~~~"""~
'
"j----~Q~
,
~·~·-=-il-il-
=-
t--
-----
--'
L-
_
_._
_
0:•
_
•-+-1
.........,
__
__..__
__
_ _
__
____
...._
__
-J
L-----
-+-->-
-
...-_._--__,l--
--
--+-
---
1--------
4-
--...._---4----'E~
~
--
L
•tOIOI
- C
l7
6 c
1
J
1
t C
J•
C
-0
C4'
- -
u o
..., tOtOO
4.57
....
•OK
·-
4T
OO
l
~
.
..
lu
v
l"°"
l
0
·°" 1··
0
"
PR•22(N)1'2
58
I
I

Related product manuals