EasyManua.ls Logo

Sony CDP-411 - Page 13

Sony CDP-411
32 pages
Print Icon
To Next Page IconTo Next Page
To Next Page IconTo Next Page
To Previous Page IconTo Previous Page
To Previous Page IconTo Previous Page
Loading...
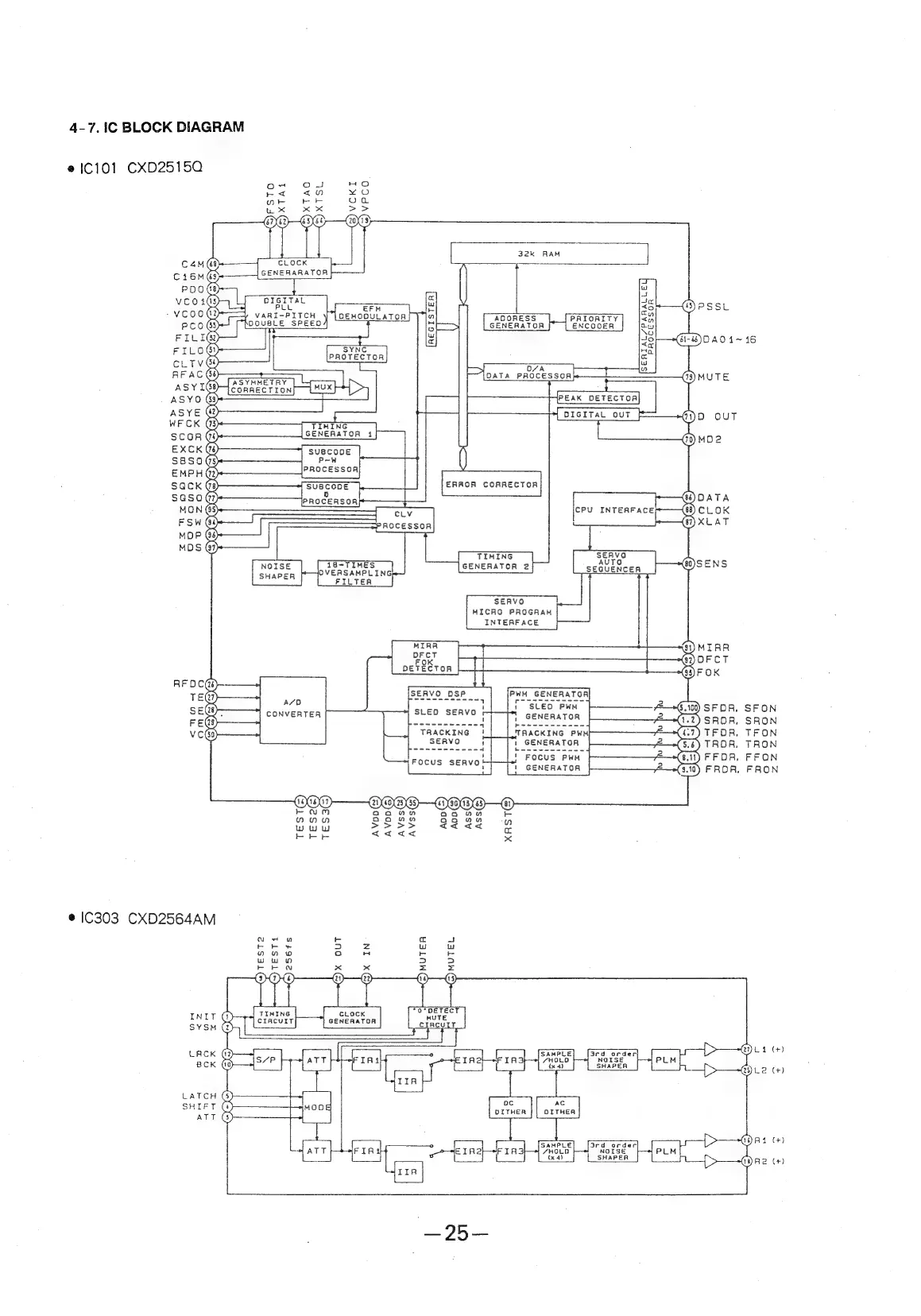
4-7.1C
BLOCK
DIAGRAM
@1C101
CXD25150
VCKI
CIGITAL
PLL EFM
VARI-PITCH
DEMOOULATOR
ADORESS
GENERATOR
REGISTER
D/A
G6)
DATA
PROCESSOR
oe
ASYMMETRY
ae
CORRECTIONS
|
PEAK
DETECTOR
DIGITAL
OUT
SUBCODE
=
ERROR
CORRECTOR
te)
PROCERSOR
CLV
J
—__
PROS
ERS
ORs
——<—<—
:
PROCESSOR
TIMING
18-TIMES
GENERATOR
2
IOVERSAMPLING
SHAPER
FILTER
SERVO
MICRO
PROGRAM
INTERFACE
A/D
SLEO
PWM
:
SFON
CONVERTER
GENERATOR
SRON
TFON
TRON
FOCUS
PWM
FFON
GENERATOR
FRON
®
|C303
CXD2564AM
TEST2
TESTI
“)o56fs
xX
OUT
X
IN
GMUTEA
G)MUTEL
INIT
TIMING
CLOCK
ORUTE
Eye
CIACUIT
GENERATOR
CIACUIT
M
0
3rd
qa
LACK
i
;
| |
c
ander
BCK
(10)
LATCH
SHIFT
oc Ac
eae
ioe
1)
ATT
@)
F
9
SAMPLE
3rd
order
a
ATT
FIA?
/HOLD
ISe€
NG
PLM
Ox
4)
[SHAPER
“AL

Related product manuals