EasyManua.ls Logo

Sony CDP-791 - IC Block Diagram

Sony CDP-791
35 pages
Print Icon
To Next Page IconTo Next Page
To Next Page IconTo Next Page
To Previous Page IconTo Previous Page
To Previous Page IconTo Previous Page
Loading...
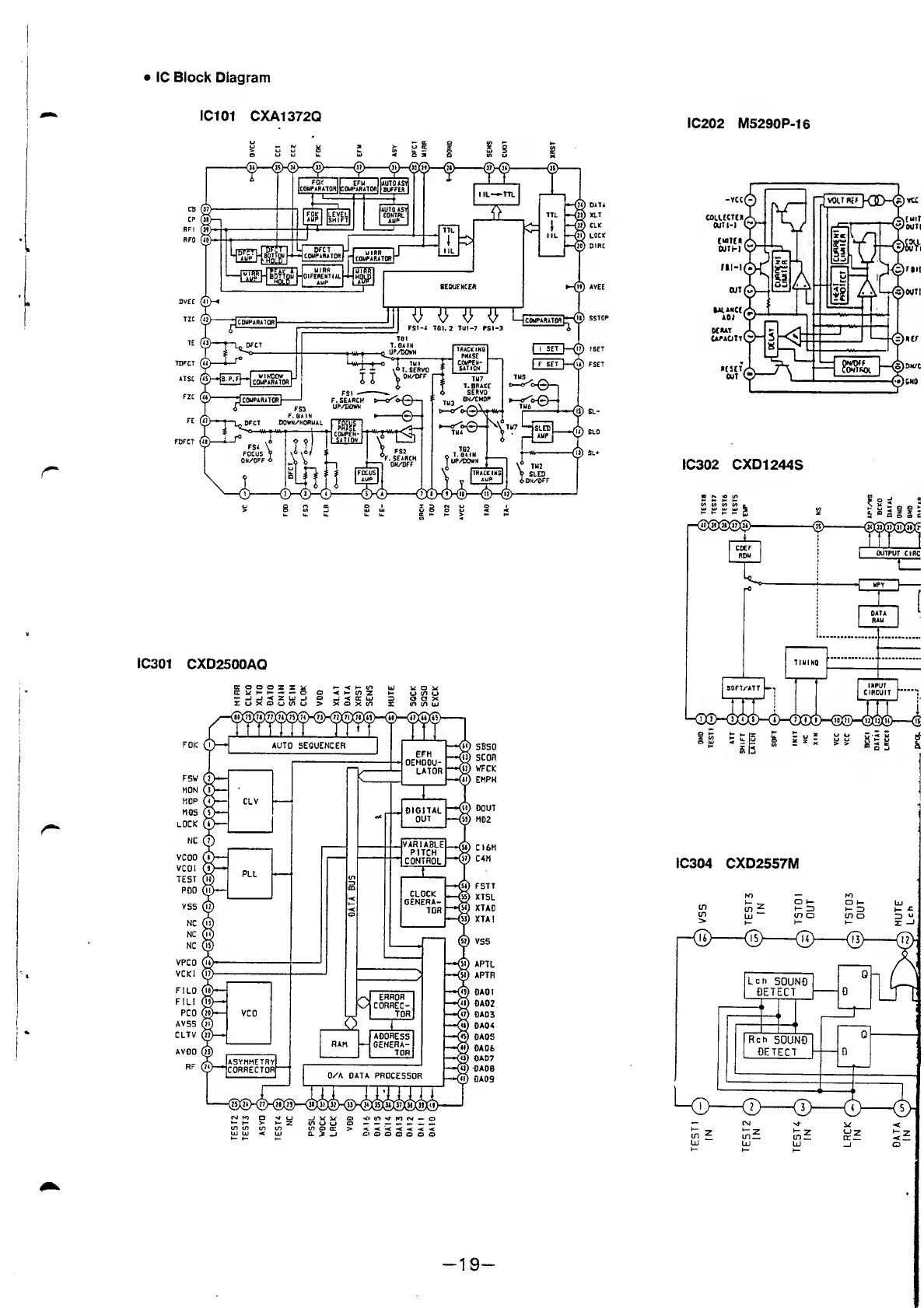
1C
Block
Diagram
IC101
CXA1372Q
IC301
CXD2500AQ
AVOD m)
RF
(mV
<*9
OAO t
•@
OA02
•©
OA05
OA04
$)
€A05
I
OA06
<«)
CA07
I QA06
'
OA09
QQGl.OGO.
IC202
M5290P-1
6
IC302
CXD1244S
u u u
u
^
M
COEF
ROM
X
19

Related product manuals