EasyManua.ls Logo

Sony CDP-791 - Block Diagram

Sony CDP-791
35 pages
Print Icon
To Next Page IconTo Next Page
To Next Page IconTo Next Page
To Previous Page IconTo Previous Page
To Previous Page IconTo Previous Page
Loading...
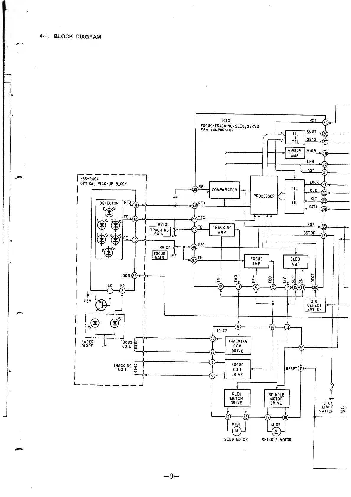
4-1.
BLOCK
DIAGRAM
-
8
-

Related product manuals