EasyManua.ls Logo

Sony CDP-C701ES - IC Block Diagrams; Specific IC Block Diagrams

Sony CDP-C701ES
32 pages
Print Icon
To Next Page IconTo Next Page
To Next Page IconTo Next Page
To Previous Page IconTo Previous Page
To Previous Page IconTo Previous Page
Loading...
eiC
Block
Diagrams
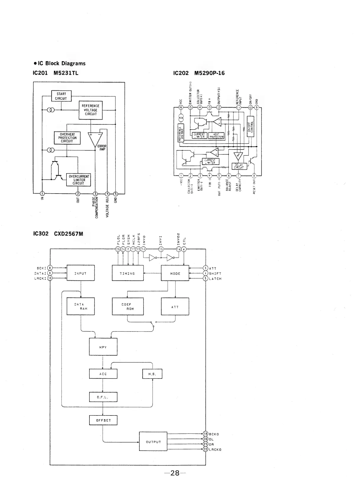
1C201
M5231TL
IC202
M5290P-16
START
CIRCUIT
REFERENCE
VOLTAGE
ie
EMITTER
OUTI+)
COLLECTOR
OUT{
+)
QUTPUTI45)
REFERENCE
INPUT
>)
ON
/
OF
F
«wo
)
GND
©)
©)
OVERHEAT
PROTECTION
CIRCUIT
2
CIRCUIT
—~
DAL
7
OVERCURRENT
0
ge
Se
ene
aD
a
CP
aa
LIMITER
Ss
Fa
=
A
ww
>
=
CIRCUIT
oom
ee
cee
Ee
BR
ee
2
wy,
Te
>
#2
<4
Z
==
23
2
43d
gS
wy
@—_O—9-)
Ss
;
Cté<‘Cw
o
z
5
aw
3a
°e
ro
se
x
&
ad
uJ
=
wo
w
<—
a
toad
=z
3
oO
>
IC302
CXD2567M
ayoxrxy%s,
be
Nv
S 8
ks
3
©
>
>
>
Fs
wu
wn
=
o
£
=
S
bo
DOO
TIMING
COEF
ROM
Ea
wd
OUTPUT

Related product manuals