EasyManua.ls Logo

Sony CDP-C701ES - Page 17

Sony CDP-C701ES
32 pages
Print Icon
To Next Page IconTo Next Page
To Next Page IconTo Next Page
To Previous Page IconTo Previous Page
To Previous Page IconTo Previous Page
Loading...
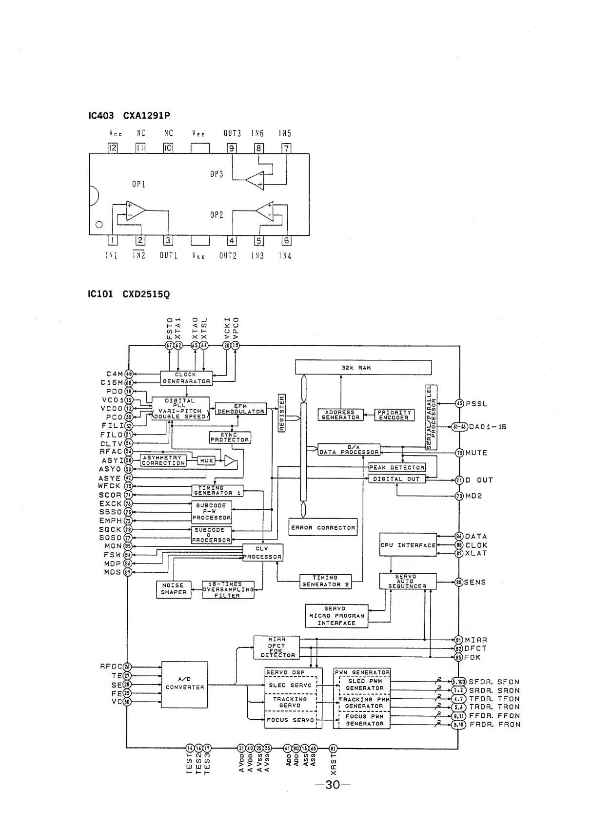
I1¢403
CXA1291P
Veo
NC
NC
Vee
OUT3
IN6
INS
IN]
IN2
QUTL
Vee
OQUT2
IN3
ING
32k
RAM
DIGITAL
PLL
«US
EFM
VARI-PITCH
\*|DEMODULATOA
DOUBLE
SPEED
c
D/A
6)
I—|DATA
PROCESSOR
k———_
S
Tasvanevay
|G
incase
poe
(38)
MUX
DIGITAL
OUT
REGISTEA
18-TIMES
OVERSAMPLING
FILTER
SERVO
MICRO
PROGRAM
INTERFACE
MIRR
DFCT
A/D
CONVERTER

Related product manuals