EasyManua.ls Logo

Sony CDP-EX770 - Page 117

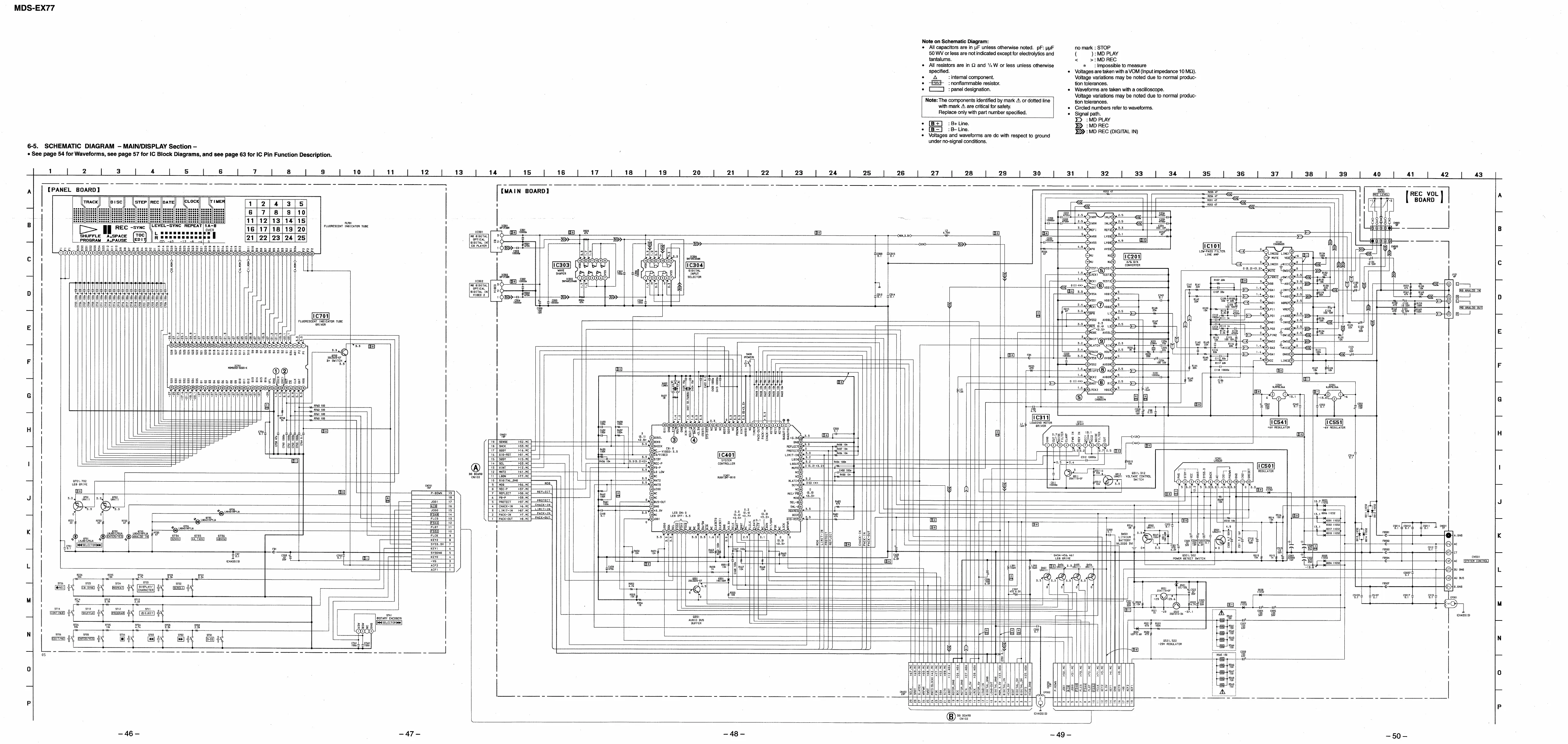
Sony CDP-EX770
143 pages
Print Icon
To Next Page IconTo Next Page
To Next Page IconTo Next Page
To Previous Page IconTo Previous Page
To Previous Page IconTo Previous Page
Loading...

Related product manuals