EasyManua.ls Logo

Sony CDP-EX770 - Page 123

Sony CDP-EX770
143 pages
Print Icon
To Next Page IconTo Next Page
To Next Page IconTo Next Page
To Previous Page IconTo Previous Page
To Previous Page IconTo Previous Page
Loading...
– 58 –
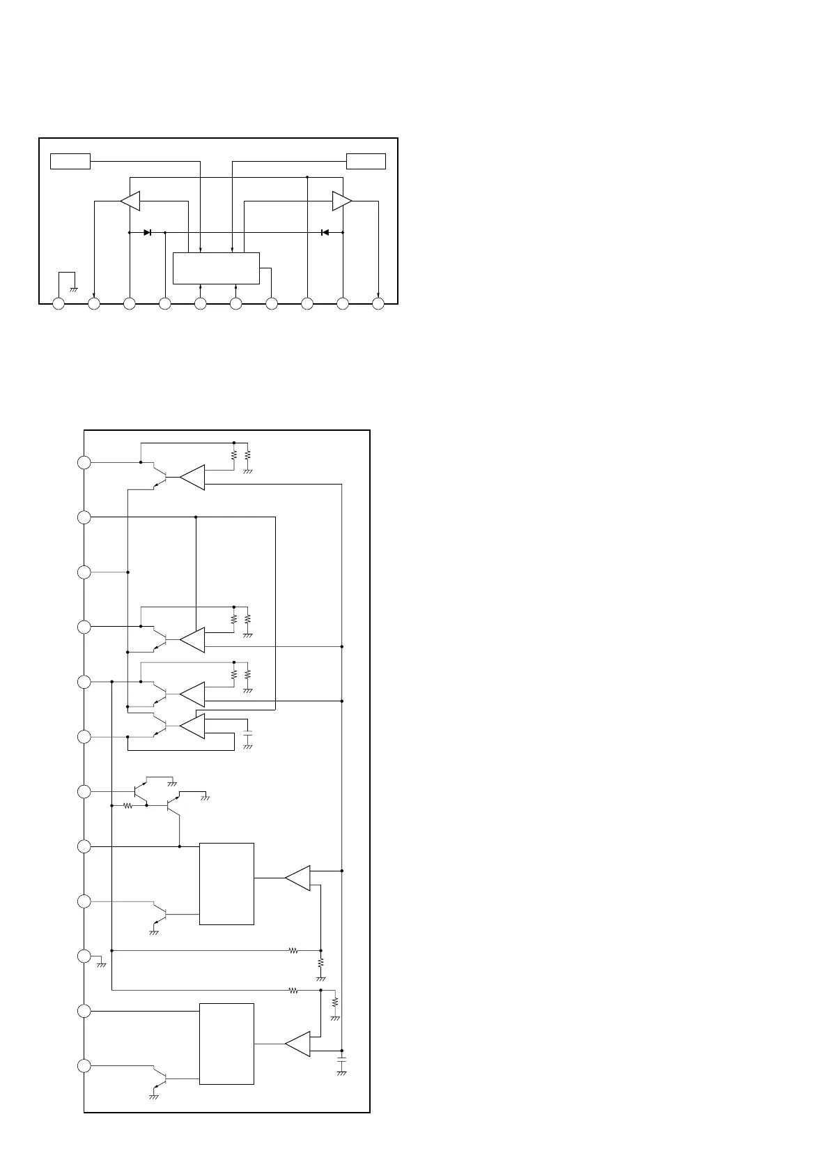
IC311 LB1641
1
2 3
4
5 6 7 8 9 10
GND
MOTOR
DRIVE
NOISE
FILTER
CLAMP
FWD.IN
REV.IN
VCC 1
VCC 2
NOISE
FILTER
MOTOR
DRIVE
MOTOR
DRIVE
MOTOR
DRIVE
T.S.D O.C.P
FWD/REV/STOP
CONTROL LOGIC
1
+
12
DELAY
CIRCUIT
VREF
DELAY
CIRCUIT
3.3V
PH5
STBY
V
CC
ANA5
SYS3.3
BACK
AC
CD1
P. DOWN
GND
CD2
S. RESET
+
+
+
+
+
2
3
4
5
6
7
8
9
10
11
IC501 LA5620

Related product manuals