EasyManua.ls Logo

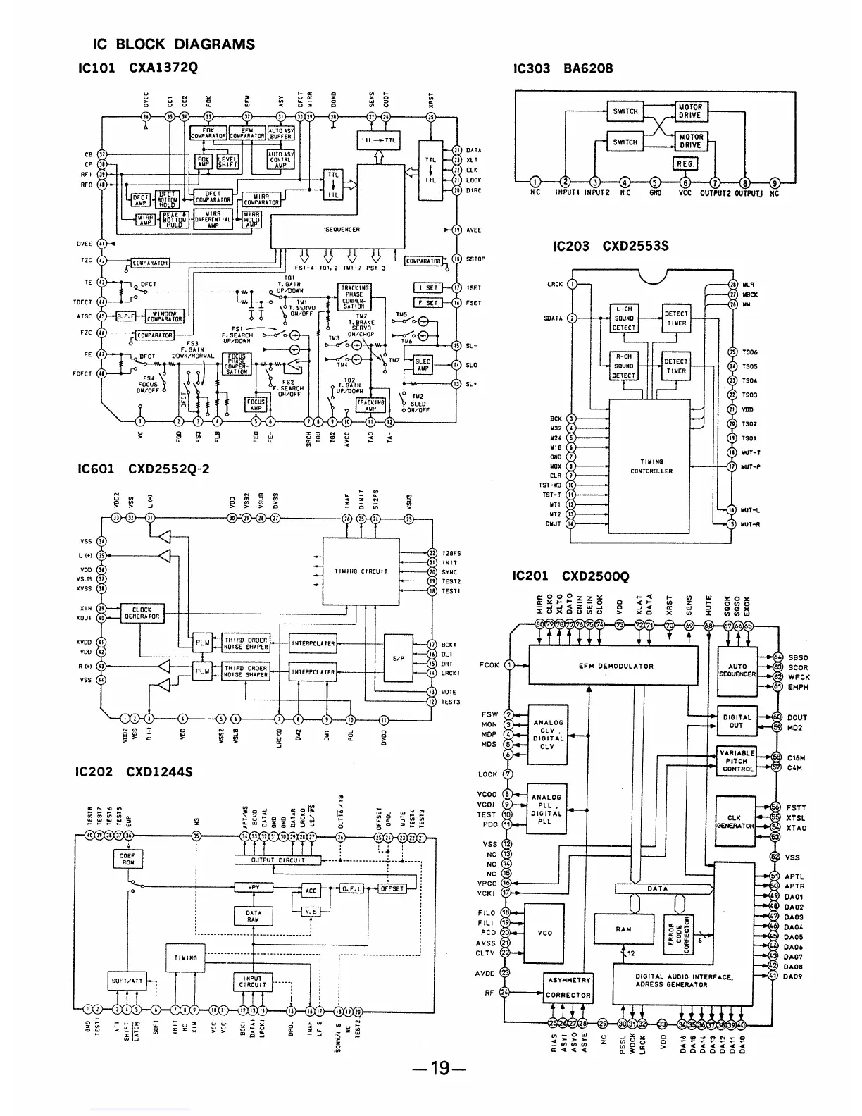
Sony CDP-X33ES - Section 3: Diagrams (Continued); Integrated Circuit Block Diagrams

Sony CDP-X33ES
24 pages
Print Icon
To Next Page IconTo Next Page
To Next Page IconTo Next Page
To Previous Page IconTo Previous Page
To Previous Page IconTo Previous Page
Loading...