EasyManua.ls Logo

Sony CDX-616 - Page 28

Sony CDX-616
76 pages
Print Icon
To Next Page IconTo Next Page
To Next Page IconTo Next Page
To Previous Page IconTo Previous Page
To Previous Page IconTo Previous Page
Loading...
– 41 –
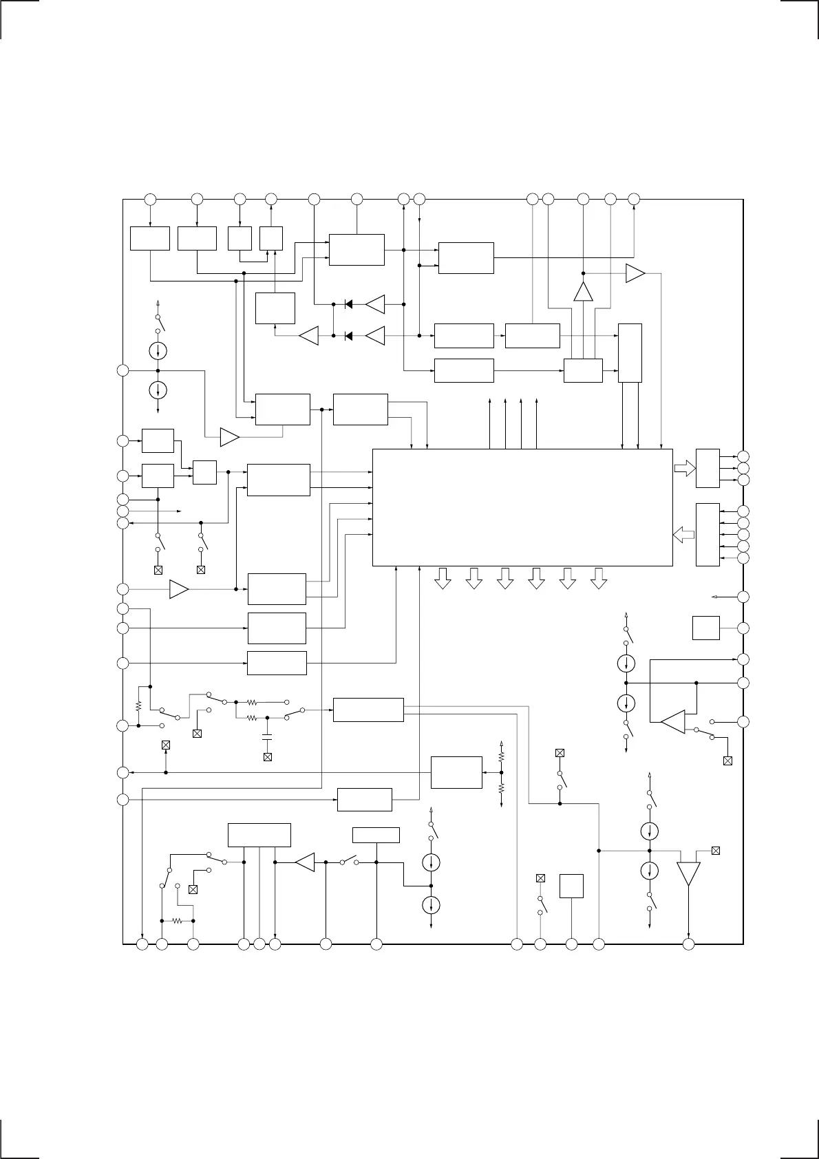
IC Block Diagrams
– RF Board –
IC11 CXA1992BR
FZC
VC
TDFCT
TZC
ATSC
TEI
LPFI
TEO
VEE
EI
E
F
FE
BIAS
SL P
SL M
SL O
ISET
VCC
XRST
DATA
XLT
CLK
LOCK
SENS2
SENS1
C. OUT
VCC
DFCTO
IFB1 – IFB6
BAL1 – BAL4
TOG1 – TOG4
FS1 – FS4
TG1 – TG2
TM1 – TM7
PS1 – PS4
TGH
TGL
BALH
BALL
ATSC
DFCT
TM1
TG1
FS2
IFB1 – IFB6
VCC
VEE
VCC
VEE
VEE
PD 2
I-V AMP
FOK
CC2
CC1
CB
CP
RF O
RF I
RFTC
PD2
PD1
PD
LD
RF M
TA O
TA M
FSET
TG2
TGU
SRCH
FEO
FEI
FDFCT
FGD
FLB
FE O
FE M
TZC
FZC
FOL
FOH
MIRR
LDON
LPCL
LPC
TGFL
DFCT1
CC1
1 2 3
4
5
6
7
8 9 10
26
25
24
23
22
21
20
19
18
17
16
15
14
40
41
42
43
44
45
46
47
48
49
50
51
52
39
PD 1
I-V AMP
38
PD
AMP
37
LD
AMP
LASER
POWER
CONTROL
FOCUS BIAS
WINDOW
COMPARATOR
FOCUS ERROR
AMP
F I-V
AMP
E I-V
AMP
TGFL
TRACKING GAIN
WINDOW
COMPARATOR
E-F BALANCE
WINDOW
COMPARATOR
ATSC
WINDOW
COMPARATOR
TZC
COMPARATOR
TRACKING PHASE
COMPENSATION
CENTER
VOLTAGE
GENERATOR
FZC
COMPARATOR
FOCUS PHASE
COMPENSATION
CHARGE UP
FSET
ISET
IIC DATA REGISTER, INPUT SHIFT REGISTER,
ADDRESS DECODER, SENSE SELECTOR,
OUTPUT DECODER
TTL
IIL
IIL
TTL
IIL
TTL
RF SUMMING
AMP
FOCUS OK
COMPARATOR
PEAK/BOTTOM
HOLD
PEAK/BOTTOM
HOLD
DEFECT
AMP
MIRR
COMPARATOR
36 34 31 30 29 28 27
35
33 32
BAL1 – BAL4
TM6
TM2
VCC
VEE
TM5
11 12 13
TG2
TM4
VCC
VEE
TM3
FS1
VCC
VEE
TOG1 – TOG4
TM7
FS4
DFCT
+
+

Related product manuals