EasyManua.ls Logo

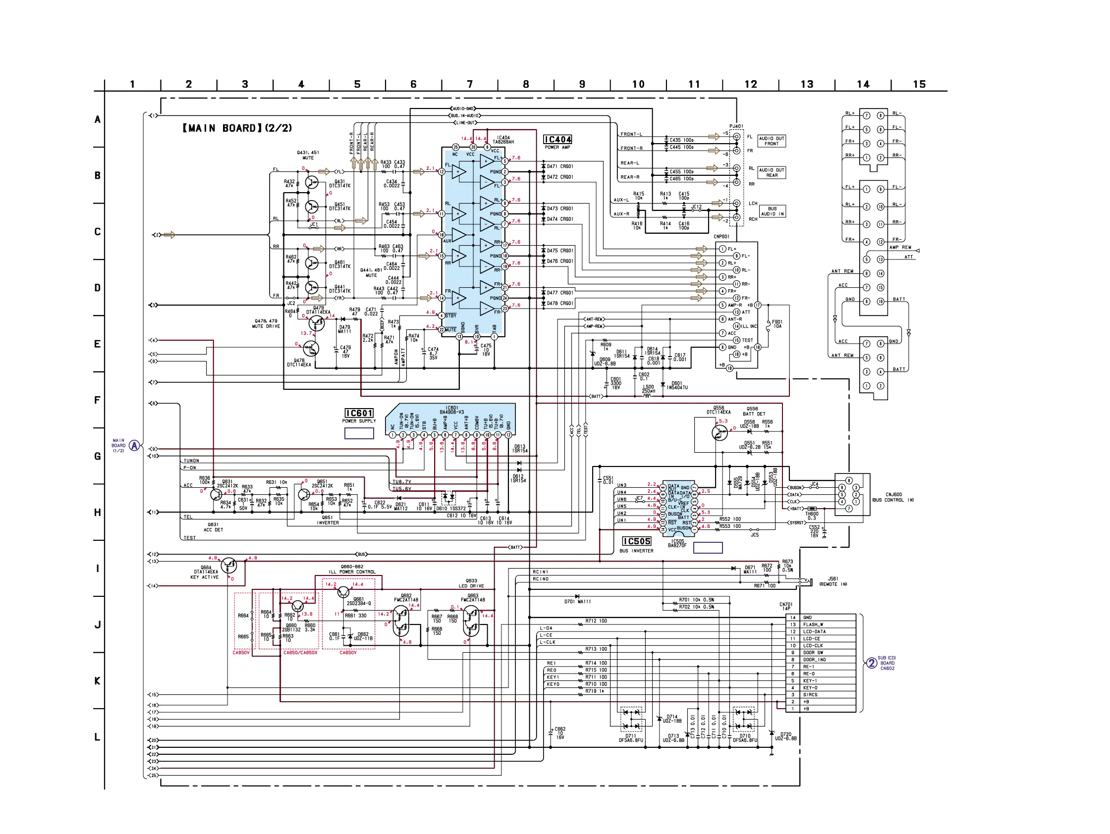
Sony CDX-CA650 - Main Board Schematic (Part 2)

Sony CDX-CA650
45 pages
Print Icon
To Next Page IconTo Next Page
To Next Page IconTo Next Page
To Previous Page IconTo Previous Page
To Previous Page IconTo Previous Page
Loading...
23 23
CDX-CA650/CA650V/CA650X
IC B/D
IC B/D
3-10. SCHEMATIC DIAGRAM — MAIN SECTION (2/2) — • Refer to page 29 for IC Block Diagrams.
Note:
Voltage is dc with respect to ground under no-signal
(detuned) condition.
no mark : FM
(Page 22)
(Page 25)

Related product manuals