EasyManua.ls Logo

Sony CDX-CA650 - Page 31

Sony CDX-CA650
45 pages
Print Icon
To Next Page IconTo Next Page
To Next Page IconTo Next Page
To Previous Page IconTo Previous Page
To Previous Page IconTo Previous Page
Loading...
31
CDX-CA650/CA650V/CA650X
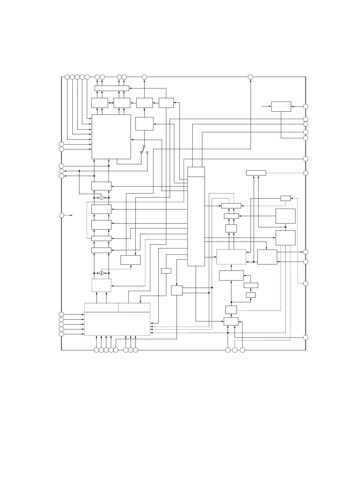
IC401 TDA7406T
33
34
35
36
37
38
39
40
41
42
43
44
1 2 3 4 5 6 7 8 9 10 11
28 2730 2932 31
SOFT STEP
FADER
SOFT STEP
FADER
SOFT STEP
FADER
SUB
WOOFER
FILTER
MONO
FADER
MIXER
OUTPUT SELECTOR
HIGH PASS
SOFT STEP
VOLUME
7BAND
EQUALIZER
SOFT MUTE
BEEP
PAUSE
PLL
PIL, DET
LOUDNESS
SPECTRUM
ANALIZER
IN GAIN
+ AUTO
ZERO
MAIN SOURCE
SELECTOR
MIXING
SELECTOR
IIC-BUS
DIGITAL
CONTROL
DEMODULATOR
+STEREO ADJUST
+STEREO BLEND
PILOT
CANCELLATION
MULTI
PATH
DETECTOR
AM/FM
NOISE
BLANKER
PULSE
FORMER
SUPPLY
25kHz
LP
86kHz
LP
STD
IN GAIN
S & H
HIGH OUT
QUAL.
A/D
12
13
14
15
16
18
19
22
21
20
INPUT MULTIPLEXER
TAPE R
FDR+
FDL
FDL+
PAUSE
PHONE
TIM
NAVI
AM/MPX2
AMIF
CMPX
TAPEL
MDL
MDR
CDL
CDR
CREF
AC OUTL
SWACOUT
ACOUTR
ACINR
SWIN
ACINL
MIXINFL
MIXINRL
MIXINRR
MIXINFR
OUTFL
OUTRL
OUTFR
OUTRR
OUTSW
SAOUT
26 25 24 23
AUX1
LEVEL
MP IN
MP OUT
QUAL
17
ATT
GND
SDA
SCL
SACLK
VDD
CREF

Related product manuals