EasyManua.ls Logo

Sony CDX-GT700UI - Location of Controls and Basic Operations; Main Unit Controls Overview

Sony CDX-GT700UI
68 pages
Print Icon
To Next Page IconTo Next Page
To Next Page IconTo Next Page
To Previous Page IconTo Previous Page
To Previous Page IconTo Previous Page
Loading...
8
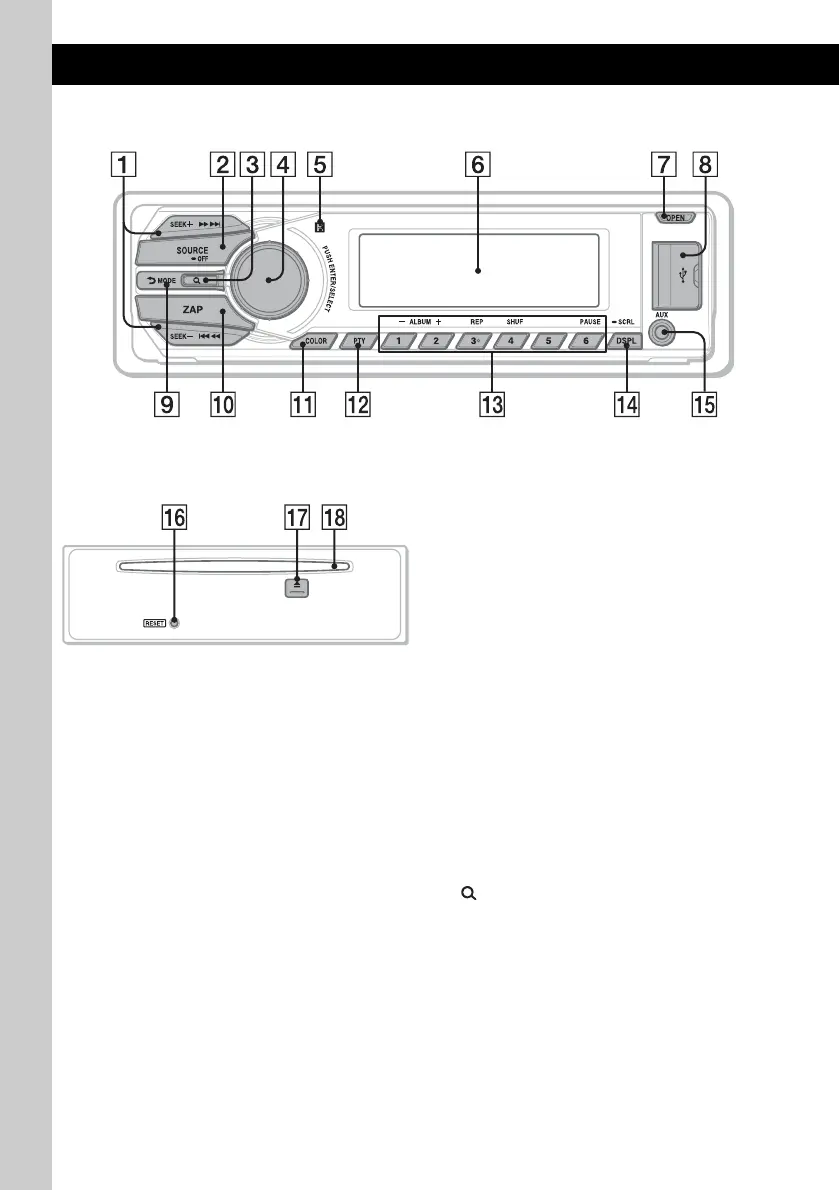
Location of controls and basic operations
Main unit
Front panel removed This section contains instructions on the location
of controls and basic operations.
For details, see the respective pages.
A SEEK +/– buttons
Radio:
To tune in stations automatically (press); find
a station manually (press and hold).
CD/USB:
To skip tracks (press); skip tracks
continuously (press, then press again within
about 1 second and hold); reverse/fast-
forward a track (press and hold).
SensMe™:
To skip tracks (press); reverse/fastforward a
track (press and hold).
B SOURCE/OFF button
Press to turn on the power/change the source
(Radio/CD/USB/SensMe™*
1
/AUX).
Press for 1 second to turn off the power.
Press for more than 2 seconds to turn off the
power and the display disappears.
C (BROWSE) button page 18
To enter the Quick-BrowZer™ mode.
D Control dial/select button page 22, 24
To adjust volume (rotate); select setup items
(press and rotate).

Table of Contents

Other manuals for Sony CDX-GT700UI

Related product manuals