EasyManua.ls Logo

Sony CFD-E75 - TAPE MECHANISM DECK COMPONENTS

Sony CFD-E75
56 pages
Print Icon
To Next Page IconTo Next Page
To Next Page IconTo Next Page
To Previous Page IconTo Previous Page
To Previous Page IconTo Previous Page
Loading...
45
CFD-E75
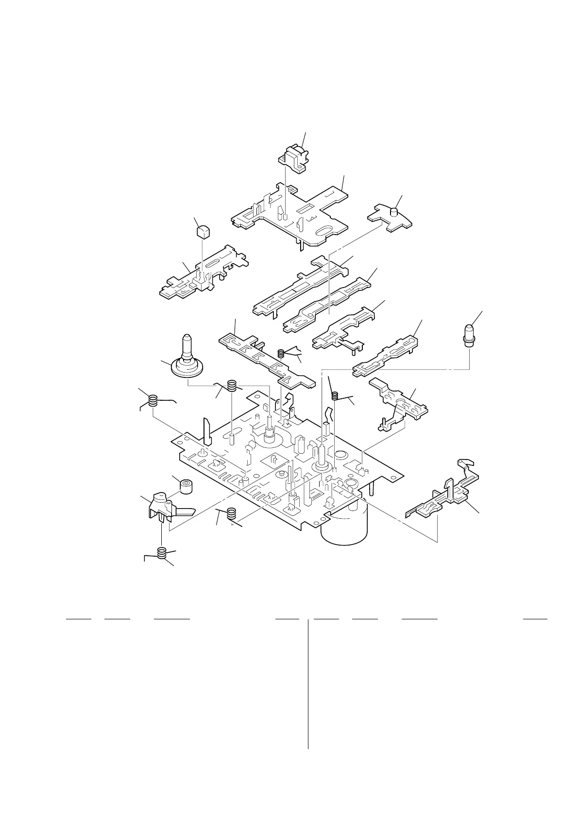
7-6. TAPE MECHANISM DECK SECTION-1
(MF-V5-117)
Ref. No. Part No. Description Remark
Ref. No. Part No. Description Remark
701 3-933-010-01 SPRING (S/P), TORSION
702 3-933-025-01 SPRING (P), TORSION
703 3-040-857-01 LEVER (P)
704 3-933-024-01 ROLLER, PINCH
705 3-933-019-01 SPRING (F/R), TORSION
706 3-933-028-01 SPRING (FWD), TORSION
707 3-933-016-01 GEAR (S REEL)
708 3-008-590-01 SLIDER (REC)
709 3-008-592-23 BASE (H), HEAD
* 710 3-008-588-01 SLIDER (REW)
* 711 3-008-589-13 SLIDER (FF)
* 712 3-008-587-01 SLIDER (STOP)
* 713 3-008-591-01 SLIDER (PAUSE)
714 3-933-004-01 CLAW, REEL
* 715 3-933-021-01 SLIDER (FRP)
* 716 3-933-006-01 SLIDER (EJECT)
717 3-934-833-01 SPRING (FRP)
718 3-022-794-02 SPRING (BT)
719 3-933-007-01 PLATE, LOCK
* 720 3-012-114-01 LEVER (FR)
HE301 1-543-876-11 HEAD (ERASE)
HRP301 1-500-668-11 HEAD,MAGNETIC (RECORD/PLAYBACK)
HRP301
HE301
709
708
710
711
720
707
719
718
706
712
713
714
715
717
704
705
703
716
701
702

Table of Contents

Related product manuals