EasyManua.ls Logo

Sony CFD-S26 - Schematic Diagrams - Power Supply Section (New Type)

Sony CFD-S26
74 pages
Print Icon
To Next Page IconTo Next Page
To Next Page IconTo Next Page
To Previous Page IconTo Previous Page
To Previous Page IconTo Previous Page
Loading...
CFD-S26
45 45
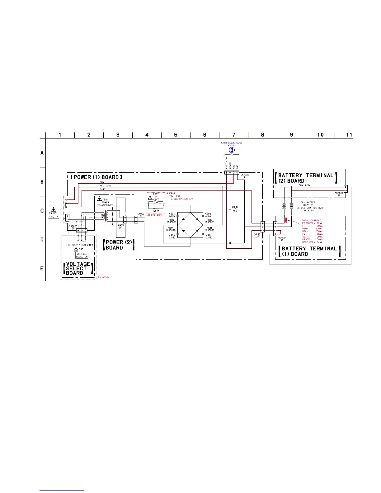
6-28. SCHEMATIC DIAGRAMS POWER SUPPLY SECTION (NEW TYPE) Refer to page 22 for Common Note on Schematic Diagrams.
(Page 40)

Table of Contents

Related product manuals