EasyManua.ls Logo

Sony CFD-S36 - Cabinet (Rear) Section Exploded View

Sony CFD-S36
50 pages
Print Icon
To Next Page IconTo Next Page
To Next Page IconTo Next Page
To Previous Page IconTo Previous Page
To Previous Page IconTo Previous Page
Loading...
35
CFD-S36
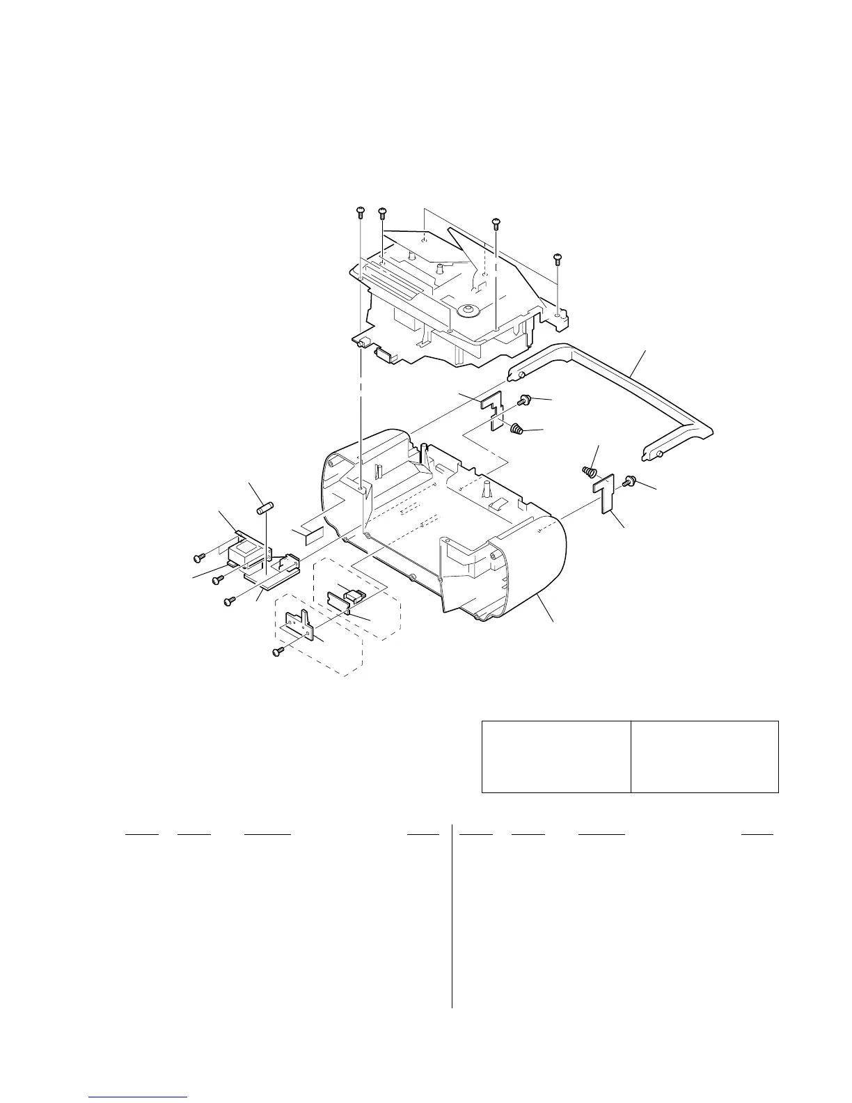
7-2. CABINET (REAR) SECTION
Ref. No. Part No. Description Remark Ref. No. Part No. Description Remark
51 3-227-958-11 CABINET (REAR) (CND,E92,MX)
51 3-227-958-21 CABINET (REAR) (E4)
51 3-227-958-61 CABINET (REAR) (SP,AR)
52 3-034-633-01 COVER (VOL SEL) (CND,E92,SP,MX,AR)
* 53 1-679-969-11 POWER (1) BOARD
* 54 1-679-970-11 POWER (2) BOARD
* 55 1-679-964-11 BATTERY TERMINAL (1) BOARD
56 3-224-372-51 HANDLE
57 4-960-167-01 SCREW (3X8) (DIA.10), +WH
58 3-028-154-01 TERMINAL (–), BATTERY
* 59 1-679-965-11 BATTERY TERMINAL (2) BOARD
* 60 3-703-044-26 LABEL, CAUTION (CND)
* 61 1-682-250-14 VOLTAGE SELECT BOARD (E4)
0 F902 1-532-388-51 FUSE, TIME-LAG (T2AL/250V) (E4)
0 F902 1-533-469-11 FUSE, TIME-LAG (T2.5AL/250V) (SP,AR)
0 F902 1-533-470-11 FUSE, GLASS TUBE (DIA.5) (3.15A/250V) (CND)
0 S901 1-552-921-00 SWITCH, POWER (VOLTAGE SELECTOR) (E4)
0 T901 1-435-917-11 TRANSFORMER, POWER (E92,MX)
0 T901 1-435-918-11 TRANSFORMER, POWER (SP,AR)
0 T901 1-435-919-11 TRANSFORMER, POWER (E4)
0 T901 1-437-351-11 TRANSFORMER, POWER (CND)
51
52
E4 Model
CND, E92, SP,
MX, AR Model
61
53
54
60
55
56
57
58
58
59
57
#2
#1
T901
F902
#1
#1
#1
#2
#2
#1
S901
The components identified by
mark 0 or dotted line with mark
0 are critical for safety.
Replace only with part number
specified.
Les composants identifiés par une
marque 0 sont critiques pour
la sécurité.
Ne les remplacer que par une piéce
portant le numéro spécifié.

Related product manuals