EasyManua.ls Logo

Sony DAV-BC150 - Speaker Terminal Connections; DAV-BC150 Speaker Terminals

Sony DAV-BC150
84 pages
Print Icon
To Next Page IconTo Next Page
To Next Page IconTo Next Page
To Previous Page IconTo Previous Page
To Previous Page IconTo Previous Page
Loading...
Getting Started
15
GB
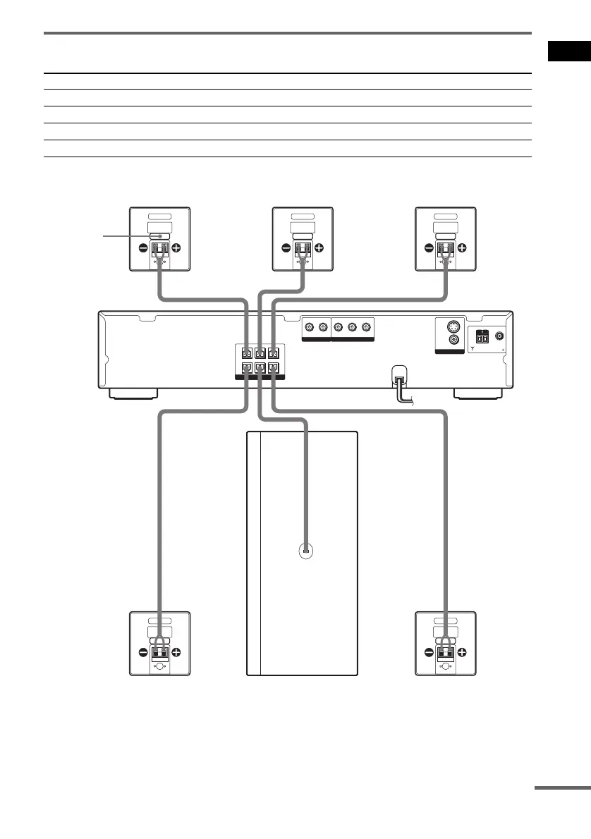
Terminals for connecting the speakers
DAV-BC150
Connect the To the
Front speakers SPEAKER FRONT L (white) and R (red) jacks
Surround speakers SPEAKER SURR L (blue) and R (grey) jacks
Center speaker SPEAKER CENTER (green) jack
Subwoofer SPEAKER WOOFER (purple) jack
Y
P
B
/C
B
P
R
/C
R
S
VIDEO
VIDEO
(
DVD O NLY
)
AUDIO IN
FRONT R
SURR R SURR LWOOFER
CENTER FRONT L
L
R
COAXIAL
AM
FM
75
MONITOR OUT
COMPONENT VIDEO OUT
VIDEO/SAT
SPEAKER
Front speaker (R) Center speaker Front speaker (L)
colour label
Surround speaker (R)
Subwoofer
Surround speaker (L)
continued

Table of Contents

Other manuals for Sony DAV-BC150

Related product manuals