EasyManua.ls Logo

Sony DSR-45A - Page 34

Sony DSR-45A
220 pages
Print Icon
To Next Page IconTo Next Page
To Next Page IconTo Next Page
To Previous Page IconTo Previous Page
To Previous Page IconTo Previous Page
Loading...
34 (GB) Chapter 2 Playback and Recording
Chapter 2 Playback and Recording
Playback
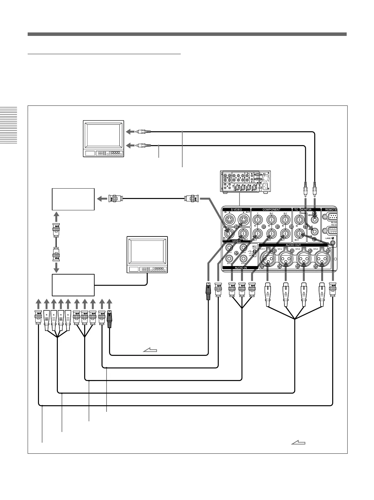
To video equipment without a DV jack
You can connect this unit to video equipment without
a DV jack. Use this unit as follows.
The following illustration shows an example of a
configuration for dubbing a tape with its time code in
the externally-synchronized playback mode. In this
configuration, the recorder is a VCR equipped with
XLR input connectors.
: Signal flow
Monitor
Phono jack cable (not supplied)
Phono jack cable (not supplied)
Audio input
Video input
DSR-45A/45AP
(player) (rear panel)
Reference video
signal generator
B.B.OUT
B.B.OUT
75 coaxial cable
(not supplied)
Monitor
REF.VIDEO
Recorder
S-video input
S-video cable (not supplied)
75 coaxial cable (not supplied)
Video cable (3BNC y 3BNC) (not supplied)
Audio cable (XLR y XLR) (not supplied)
75 coaxial cable (not supplied)
Video input
Component input
Audio input
Time code input
Connect one of the following as a video cable: video
cable (3BNC y 3BNC), S-video cable, 75 coaxial
cable.

Table of Contents

Other manuals for Sony DSR-45A

Related product manuals