EasyManua.ls Logo

Sony DSR-45A - Connections for a Cut Editing System

Sony DSR-45A
220 pages
Print Icon
To Next Page IconTo Next Page
To Next Page IconTo Next Page
To Previous Page IconTo Previous Page
To Previous Page IconTo Previous Page
Loading...
Chapter 3 Using the Unit as a Player in an Editing System
Chapter 3 Using the Unit as a Player in an Editing System 49 (GB)
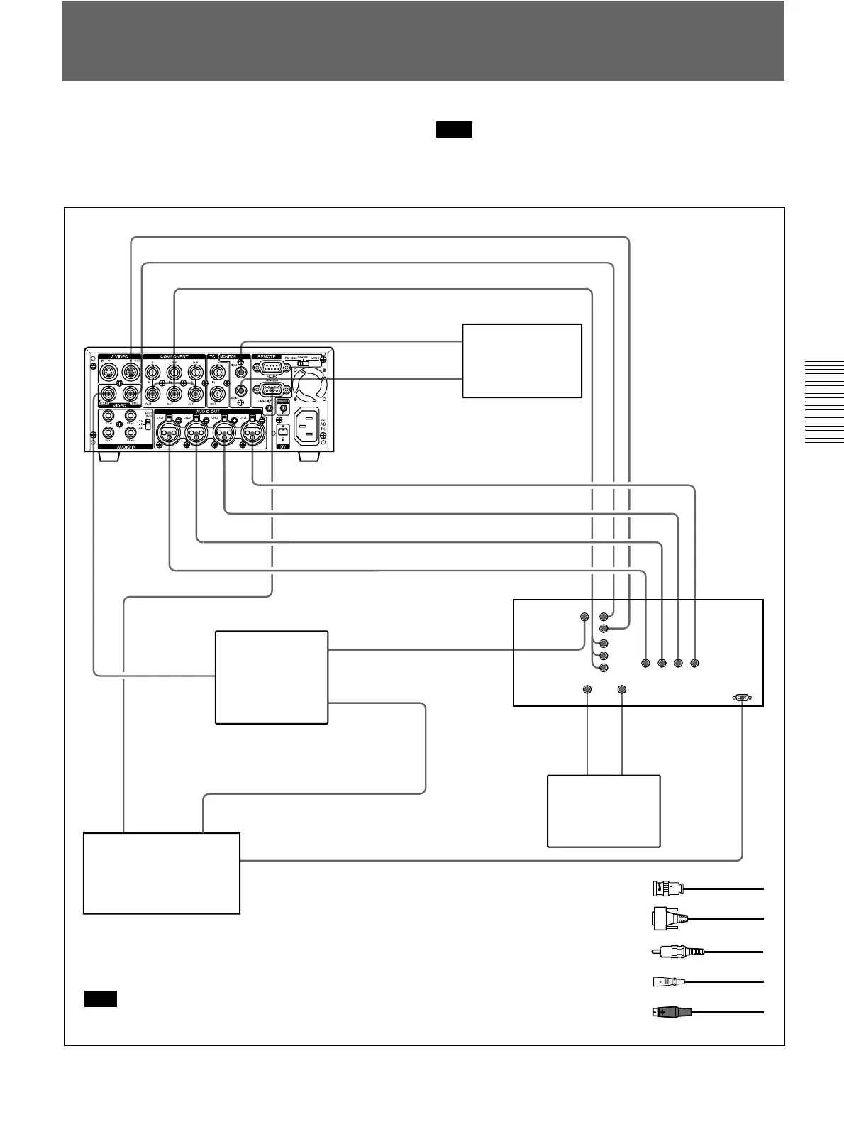
Connections for a Cut Editing System
The following figure shows a cut editing system
configuration that uses this unit as the player.
For details of connecting devices other than the DSR-45A/
45AP, refer to the instruction manual of each device.
Note
The preroll time of the setting on the editing controller
is required to be more than five seconds.
DSR-45A/45AP (player)
VIDEO OUT 1
S VIDEO OUT 5
COMPONENT OUT
MONITOR VIDEO
AUDIO OUT CH-4 4 AUDIO IN CH-4
AUDIO OUT CH-3 4 AUDIO IN CH-3
AUDIO OUT CH-2 4 AUDIO IN CH-2
AUDIO OUT CH-1
RS-422A
4 AUDIO IN CH-1
REF.VIDEO
OUT
REF.VIDEO OUT
1
1
REF.VIDEO
IN
REF.VIDEO INPLAYER
RECORDER 2
1
2
3
MONITOR
AUDIO
REF.VIDEO
OUT
MONITOR
AUDIO
MONITOR
VIDEO OUT
REMOTE
31
3
VIDEO IN
S VIDEO IN
VIDEO IN
REF.IN
1
Y, R-Y, B-Y IN
Source video
monitor
Audio
input
Video
input
Reference
video signal
generator
Editing controller
Recorder
Main video
monitor
Connect one of the following as a video cable:
video cable (3BNC y 3BNC), S-video cable, or
75 coaxial cable.
Note
Use a recorder equipped with a synchronization
function.
1 75 coaxial cable (not supplied)
2 9-pin remote control cable (not supplied)
3 Phono jack cable (not supplied)
4 Cable with XLR connectors (not supplied)
5 S-video cable (not supplied)
Audio input Video input

Table of Contents

Other manuals for Sony DSR-45A

Related product manuals