EasyManua.ls Logo

Sony DVP-NC615 - Page 22

Sony DVP-NC615
76 pages
Print Icon
To Next Page IconTo Next Page
To Next Page IconTo Next Page
To Previous Page IconTo Previous Page
To Previous Page IconTo Previous Page
Loading...
22
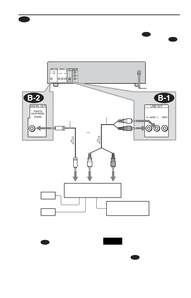
Connecting to a stereo amplifier (receiver) and 2 speakers/Connecting to
an MD deck or DAT deck
If the stereo amplifier (receiver) has audio input jacks L and R only, use . If the amplifier
(receiver) has a digital input jack, or when connecting to an MD deck or DAT deck, use .
In this case, you can also connect the player directly to the MD deck or DAT deck without using
your stereo amplifier (receiver).
z Hint
In connection
, you can use the supplied
audio/video cord instead of using a separate audio
cord.
Note
If you select one of the TVS effects (page 47) while
playing a disc, no sound will come from your
speakers with the connection.
B
B-1
B-2
CD/DVD player
or
Stereo amplifier (receiver)
MD deck/DAT deck
Front (L)
Front (R)
[Speakers]
(white)
(red)
(red)
(white)
Coaxial digital
cord (not supplied)
Stereo audio cord
(not supplied)
to audio input
to coaxial digital
input
to LINE OUT L/R (AUDIO)
to DIGITAL OUT
(COAXIAL)
l: Signal flow
B-1
B-2

Table of Contents

Other manuals for Sony DVP-NC615

Related product manuals