EasyManua.ls Logo

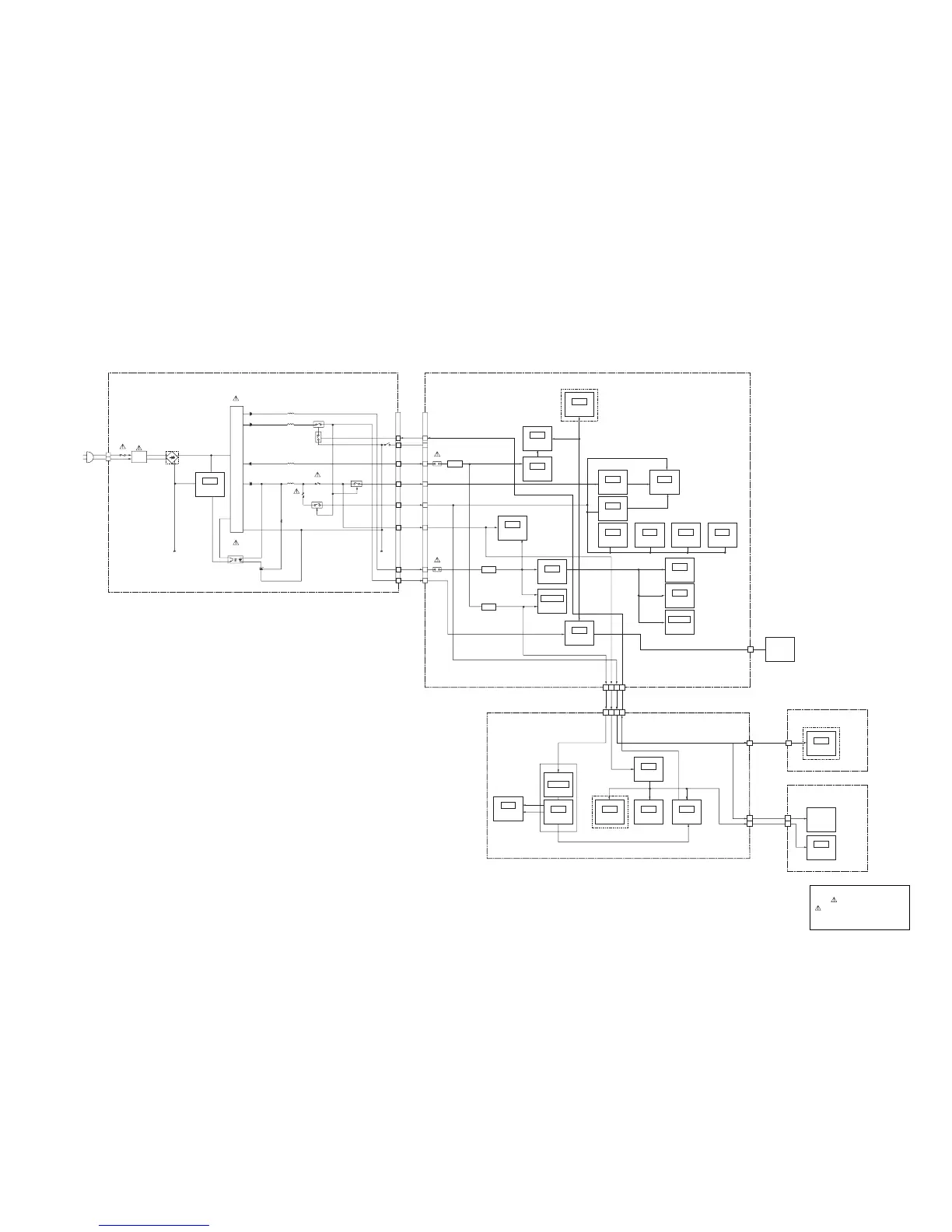
Sony DVPNS61 - Power Line Block Diagram

Sony DVPNS61
96 pages
Print Icon
To Next Page IconTo Next Page
To Next Page IconTo Next Page
To Previous Page IconTo Previous Page
To Previous Page IconTo Previous Page
Loading...
DVP-NS36/NS37/NS45P/NS55P/NS61P/NS63P
3-2. POWER LINE BLOCK DIAGRAM
The components identified by
mark or dotted line with mark
are critical for safety.
Replace only with part number
specified.
3-3 3-4

Table of Contents

Related product manuals