EasyManua.ls Logo

Sony HCD-BX5BT - BLOCK DIAGRAM - MAIN SECTION; MAIN SECTION BLOCK DIAGRAM

Sony HCD-BX5BT
76 pages
Print Icon
To Next Page IconTo Next Page
To Next Page IconTo Next Page
To Previous Page IconTo Previous Page
To Previous Page IconTo Previous Page
Loading...
HCD-BX5BT/CBX1/CBX3
2323
HCD-BX5BT/CBX1/CBX3
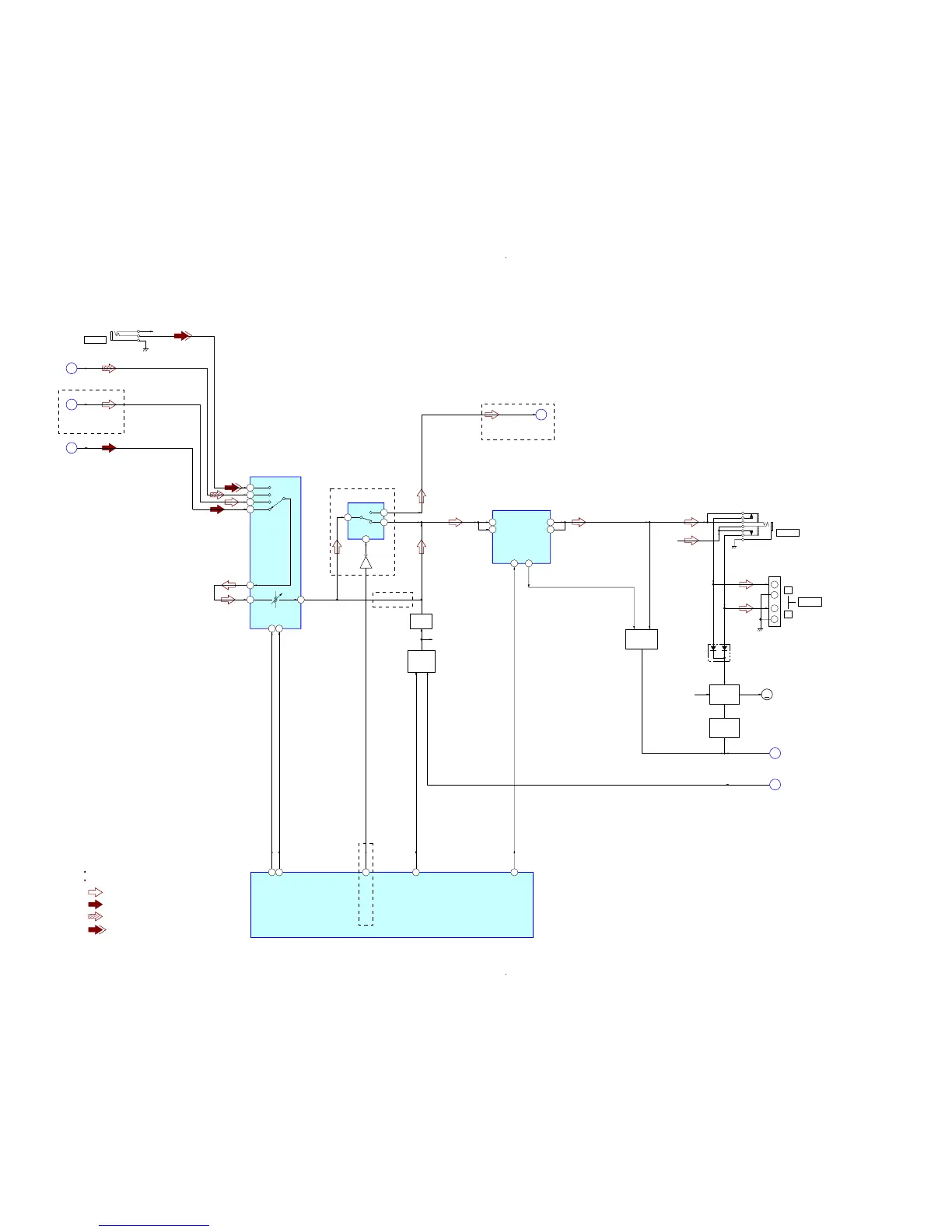
6-3. BLOCK DIAGRAM – MAIN Section –
(BX5BT)
OUTPUT SELECT
IC309
A
13
14
12
10
AUDIO IN
R-CH
J301
CD-L
A
BT-L
F
TUNER-L
E
PROTECT
J
6
8
5
4
22
DATA
21
CLK
AMP DATA
81
AMP CLOCK
82
TA LINE-MUTE
80
(BX5BT)
G
BT OUT-L
X1
X0
LOUT
INPUT SELECT, ELECTRICAL VOLUME
IC304
SYSTEM CONTROLLER
IC301 (3/4)
: AUDIO
: CD PLAY
SIGNAL PATH
R-ch is omitted due to same as L-ch.
: AUDIO IN
: TUNER (FM/AM)
BT AUDIO OUT MUTE
56
Q310
INL3
7
INL4
IGOUTL
VOLINL
INL2
INL1
X
9
MUTING
IC103
R-CH
27
MUTING
CONTROL
Q340, 341
(BX5BT)
(CBX1/CBX3)
(BX5BT)
POWER AMP
IC601
11 CH1 IN
12 CH1 NF
10
MONITOR
CH1 OUT+
4
CH1 OUT–
5
13
STBY
J500
R-CH
PHONES
SPEAKER
+
+
R
L
J302
DC
DETECT
Q342 – 344
M301
(FAN)
+9V
MM
AC DET
K
D313
STK-ON
87
FAN MOTOR
DRIVE
Q316, 317
PROTECT
DETECT
Q307
(Page 21)
(Page 22)
(Page 22)
(Page 22)
(Page 24)
(Page 24)

Table of Contents

Related product manuals