EasyManua.ls Logo

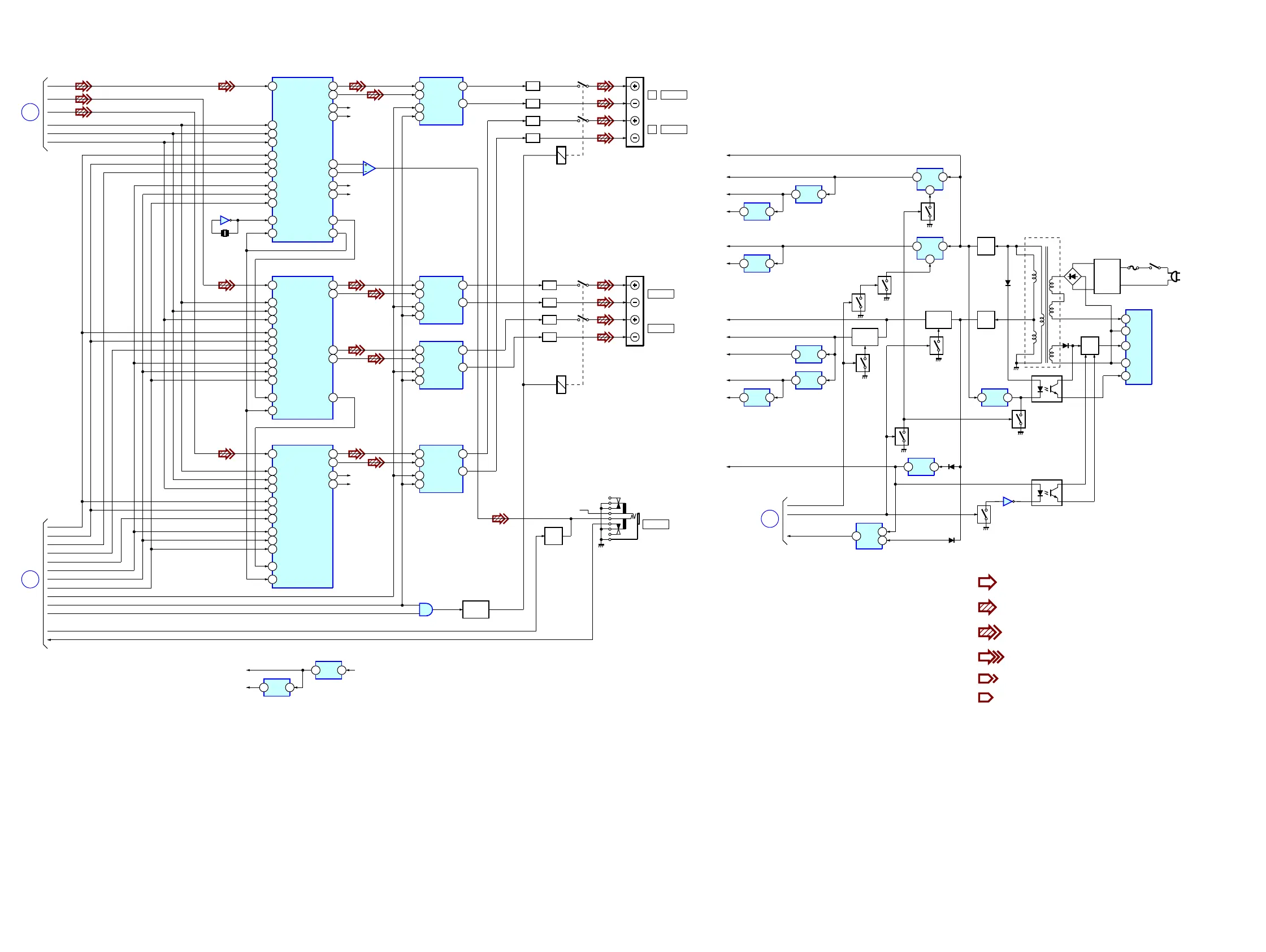
Sony HCD-C900 - Power Section

Sony HCD-C900
128 pages
Print Icon
To Next Page IconTo Next Page
To Next Page IconTo Next Page
To Previous Page IconTo Previous Page
To Previous Page IconTo Previous Page
Loading...

Table of Contents

Related product manuals