EasyManua.ls Logo

Sony HCD-C900 - Overall Section (CDM53 K-DVBU7); Chassis (Mold) Assembly Section

Sony HCD-C900
128 pages
Print Icon
To Next Page IconTo Next Page
To Next Page IconTo Next Page
To Previous Page IconTo Previous Page
To Previous Page IconTo Previous Page
Loading...
80
HCD-C700/C900
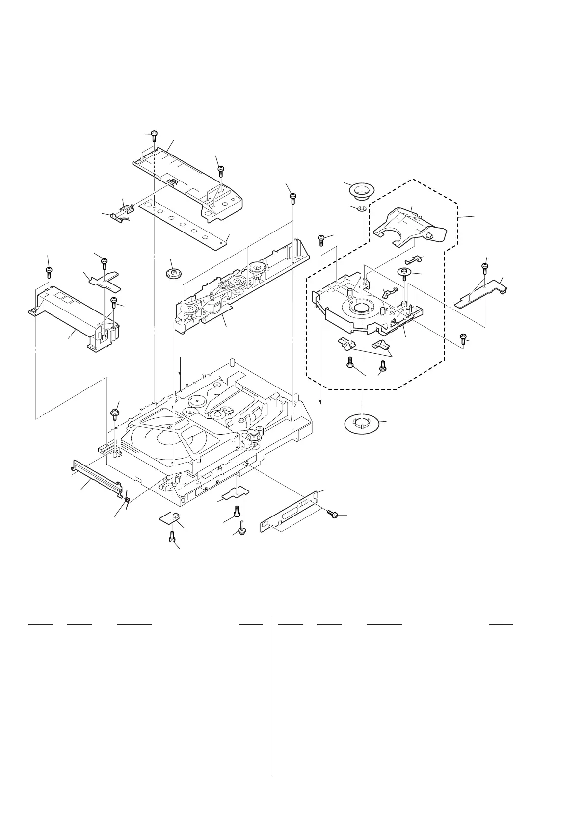
6-4. OVERALL SECTION (CDM53K-DVBU7)
Ref. No. Part No. Description Remark Ref. No. Part No. Description Remark
406
407
408
402
409
402
411
421
404
412
410
402
402
402
402
417
413
402
420
416
419
402
418
422
402
402
415
414
423
not supplied
not supplied
401
424
402
402
402
405
403
A
A
Chassis (mold)
assembly section
401 3-341-549-01 SCREW (2.6X12) (DIA.7.5),+PTP WH
402 4-951-620-41 SCREW (2.6), +BVTP
403 1-675-724-21 INIT/COUNT SW BOARD
404 4-211-215-01 GEAR (EJECT)
405 1-675-726-21 SENSOR BOARD
406 4-212-676-01 SPRING (LID), TORSIONOR
407 4-212-674-11 LID (DISC)
408 4-933-134-01 SCREW (+PTPWH M2.6X6)
409 A-4672-907-A FITTING BASE (GUIDE) ASSY
410 1-675-725-21 OUT SW BOARD
411 1-675-727-21 SENSOR 2 BOARD
412 4-964-461-02 HOLDER (SENSOR)
413 A-4672-872-D BASE (MAGNET) ASSY, FITTING
414 3-053-844-01 YOKE
415 4-234-723-01 PULLEY (AT) (240)
416 4-222-783-01 LEVER (LIFTER)
417 4-221-530-01 LEVER (DETECTION C)
418 4-985-672-01 SCREW (+PTPWH M2.6), FLOATING
419 4-221-528-01 LEVER (DETECTION A)
420 4-222-782-03 BASE (MAGNET), FITTING
421 4-214-129-01 COVER
422 1-675-723-21 IN SW BOARD
423 X-4954-450-1 PULLEY (240) ASSY
424 1-675-722-21 CONNECTOR BOARD

Table of Contents

Related product manuals